微波EDA网,见证研发工程师的成长!
首页 > 研发问答 > 测试测量 > Labview > 初学者,请各位指教

初学者,请各位指教

时间:10-02 整理:3721RD 点击:


求救啊,谢谢,万分

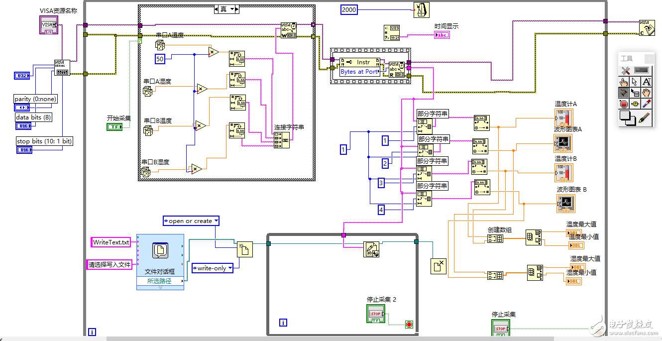
应该写明你具体需要解决什么问题,大神们光看图,也不知如何对症下药啊。

初学者意见

同一个端口不能这样操作的~

Copyright © 2017-2020 微波EDA网 版权所有

网站地图

Top