求各位大神,枚举冲突怎么办?
时间:10-02
整理:3721RD
点击:
求各位大神,枚举冲突怎么办?

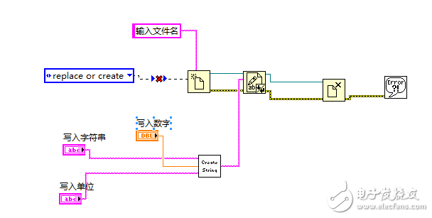
删掉你那个冲突的枚举常量,在文件打开这个vi的连接的输入端,右键--》创建--》常量

删掉你那个冲突的枚举常量,在文件打开这个vi的连接的输入端,右键--》创建--》常量