怎么在PXIE5122上用外部触发信号控制采集开始和采集时间的长短呢?
时间:10-02
整理:3721RD
点击:
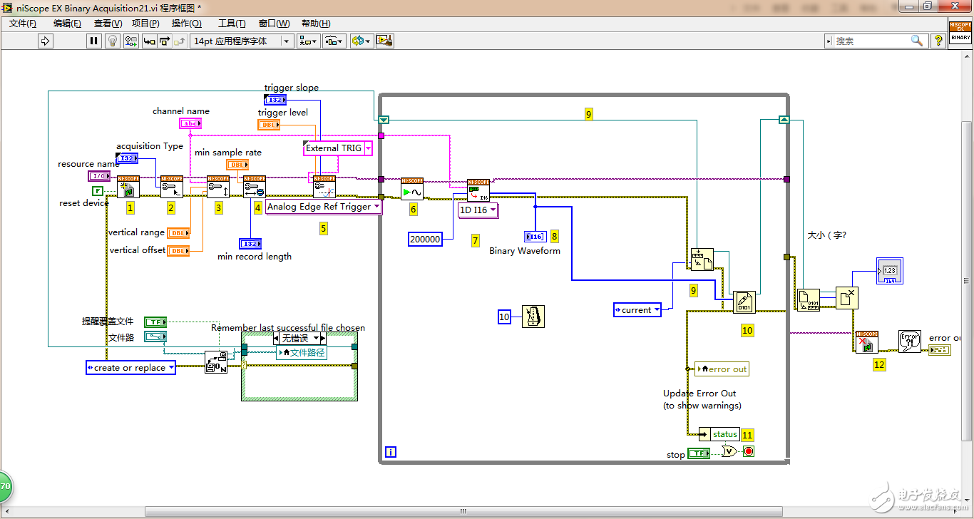
自己在NI的例子上修改,是外部触发来控制采集。但采集的波形数目不对。比如一次发送10个正弦波,
每次发送间隔1ms,回放采集过程,发现信号损失掉了,并且两次信号间的间隔时间也不对。附上几张图片。
还有一点就是和以前的程序对比,采集时间相同,生成的文件,我的程序小很多。感觉遗漏了很多。
还请各位帮忙分析一下

信号源设置


程序图 回放采集过程


采集细节图

以前程序图
已退回5积分
