labview串口通信时接收数据异常
时间:10-02
整理:3721RD
点击:




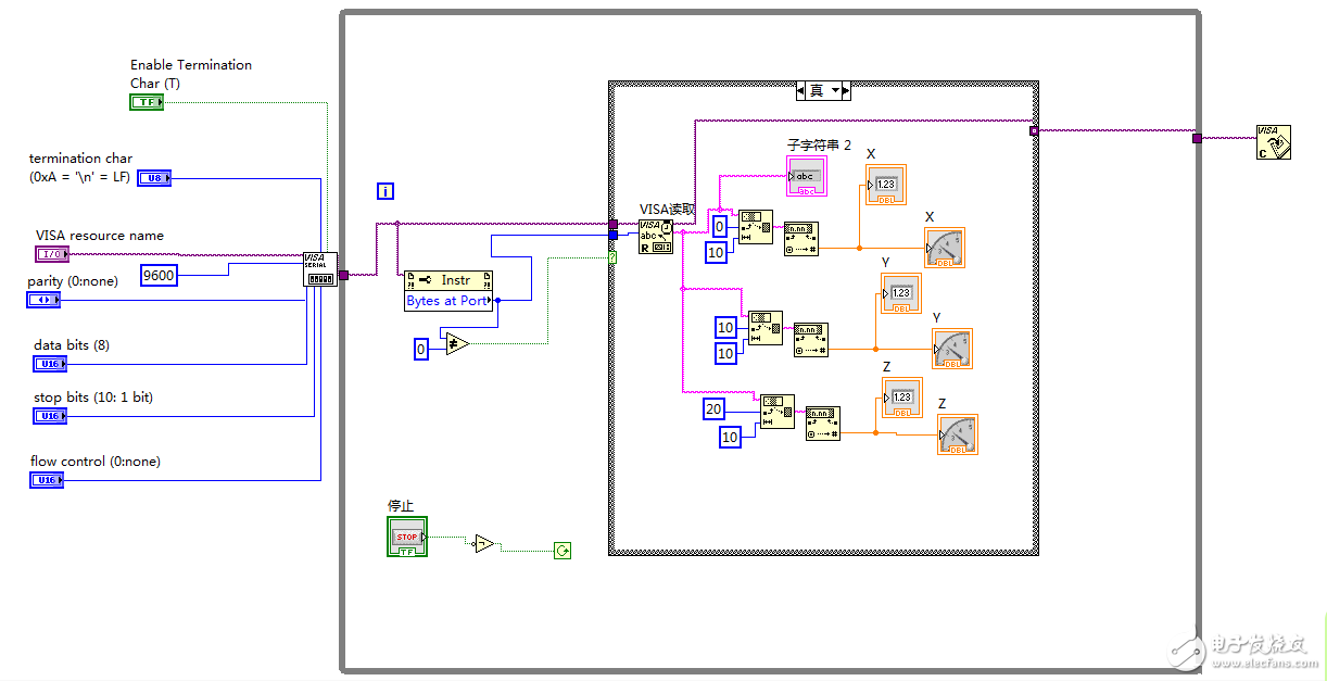
第一张图接收的数据是正确的,后面两个接收的是不对的,我在串口调试工具上接收的都是正确的,接收的时候过一会会出现一组如图一所示的正确数据,其他时候基本上是图二图三所示的数据
你这个接收的数据帧有没有帧头标志,分析你的情况就是丢数了,要是有帧头就可以通过寻找帧头来获取数据。





你这个接收的数据帧有没有帧头标志,分析你的情况就是丢数了,要是有帧头就可以通过寻找帧头来获取数据。
