labview错误-1073807253发生于串口.vi中的VISA读取
时间:10-02
整理:3721RD
点击:
毕业设计用stc15单片机做个电机调速系统,想用labview做个上位机增加一点工作量,可是数据传输时老是报出VISA: (Hex 0xBFFF006B) 传输时发生帧错误,每次读取几位数据就报错了,拿论坛大神的例程一样,我单片机用的时12MHZ的晶振,输出波特率有误差,我想知道是晶振的原因吗,我用的labview2014,NI-VISA15.5,设置波特率2400据说这个误差最小,新手求大神帮忙




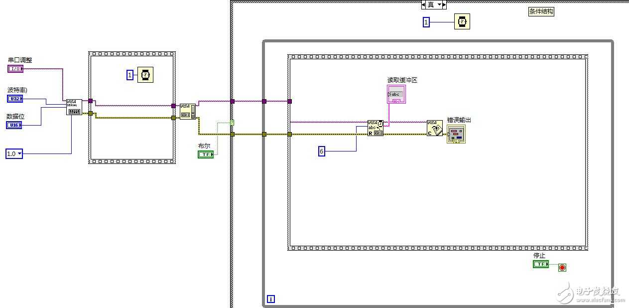
while循环第一次结束关闭了串口,请将ClosePort.vi 移出while框
看一下上位机和串口设置的参数是否匹配,测试能否发送到串口,每部分分开调试
