求助,labview生成exe文件,子VI找不到路径
时间:10-02
整理:3721RD
点击:
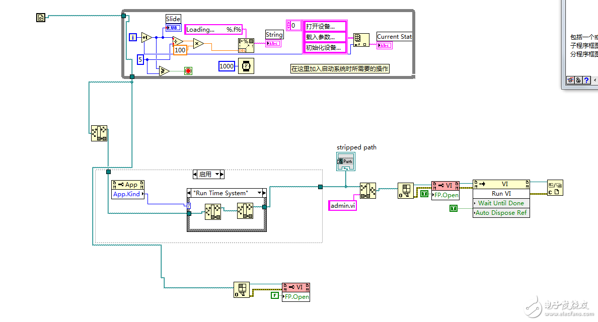
我这样没有跳出虚拟文件夹吗? 生成出来的exe程序依然不能正常加载admin.vi 开发环境下就可以 求助大神啊

把这个路径在EXE中显示出来,再调整下么
http://www.duobei.com/course/4281651785
