怎么样删除excel的制定区域
时间:10-02
整理:3721RD
点击:
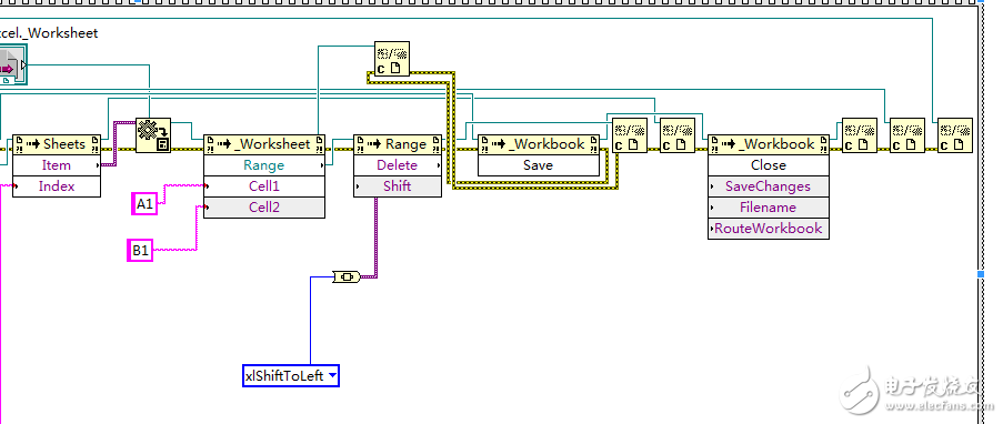
请教大神们,为什么我的这个删除excel中指定Range报错啊,删除shift前的xlShiftToLeft就不报错,但也不删除。紧急求助,不甚感谢


已退回5积分
