求大神,关于labview时间计数器的问题
时间:10-02
整理:3721RD
点击:
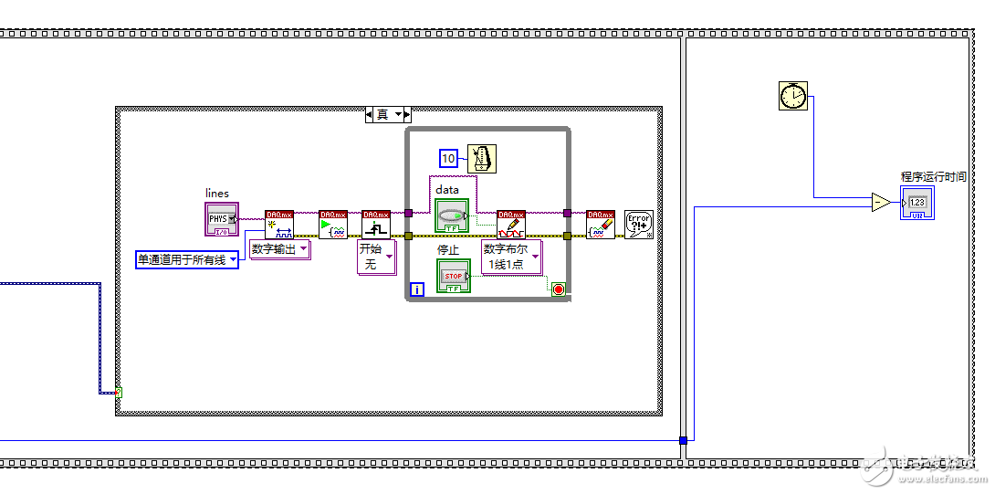
我做了一个小程序,是用一块数据采集板卡采集输入电压,结果与基准值对比,满足条件则会在数据采集卡的DO口输出数字量。
现在想记录这个程序所运行的时间,用到的是时间计数器,并且才用了平铺式顺序结构 ,大家帮看下程序本身有没有什么问题,主要是时间计数器的使用这块。


现在想记录这个程序所运行的时间,用到的是时间计数器,并且才用了平铺式顺序结构 ,大家帮看下程序本身有没有什么问题,主要是时间计数器的使用这块。


自己顶!
有人吗?求帮助,看看程序本身有没有什么问题
自己顶!
