怎么把数值实时显示
时间:10-02
整理:3721RD
点击:
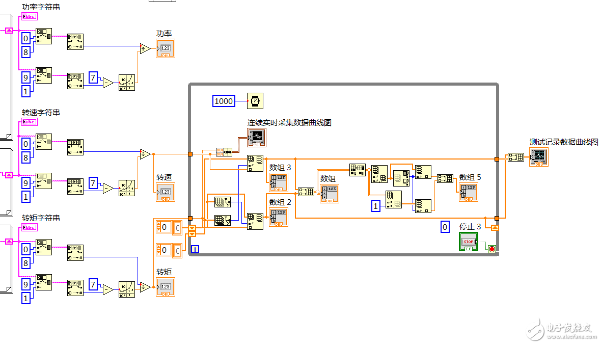
[size=14.3999996185303px]原本没有如图所示的循环结构时,整个串口程序接收数据一切正常,都能实时显示,但是加上这个while循环之后{包括while循环里面的内容},在运行,就不能动态显示了,只固定显示一个数值,请问怎么可以实时显示,




你不放在循环里,怎么实时显示啊?
循环完成一次需要所有数据流走一次,你可能是两个常量数组只给一次初值就没有了,所以导致循环在等新数据。所以你把两个常量数组放到循环里面去,这样循环就可以下去了。
