9234采集卡采集回来的数据问题?求助了。。。。。
时间:10-02
整理:3721RD
点击:
请问下我用加速度传感器采集,为什么采集回来一直显示0一个数啊。使劲敲一下传感器只产生一个波形,这是什么情况呢,有谁了解吗?file:///C:\Users\Administrator\Documents\Tencent Files\532121607\Image\C2C\WJI$4Y7NXAPP5S%HI01T}XU.png
只有两分了,见谅了
只有两分了,见谅了


采集速率够吗?程序对不对啊。没说清楚
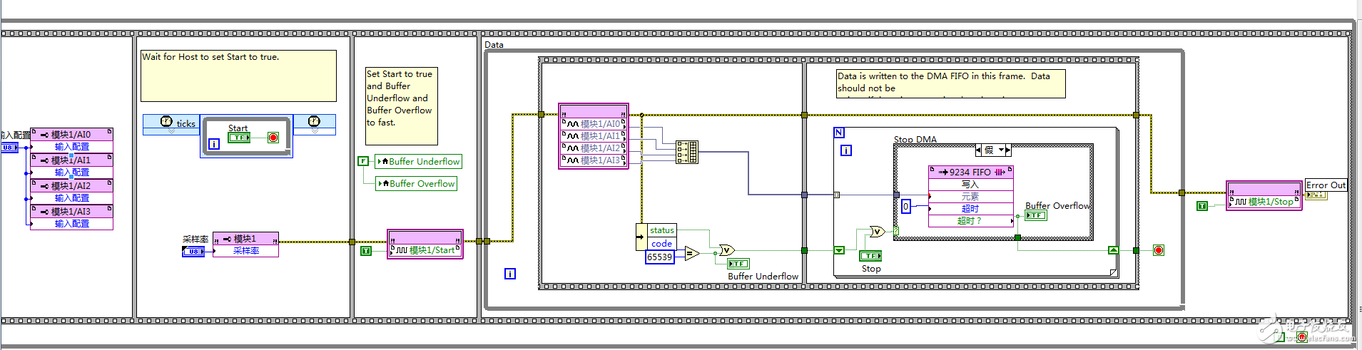
速率应该是够的,51200/S.程序照着范例抄的。就是把范例923X里的模块换成我自己的了。
这几张分别是RT端和FPGA端的程序



不懂!
