labview中使用事件结构怎么才能接收连续的波形?
时间:10-02
整理:3721RD
点击:
labview中使用事件结构怎么才能接收连续的波形?
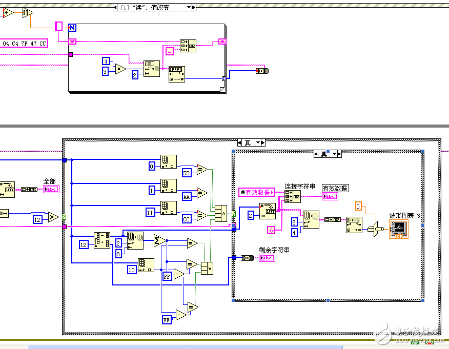
点击事件触发后如何一直接收我现在是点击一下接收一组数然后再点击在接收?如何点击一直接收
点击事件触发后如何一直接收我现在是点击一下接收一组数然后再点击在接收?如何点击一直接收
求高人指点!如何接收连续数据

用个生产消费者结构完成数据读取,用布尔触发导出读取结果
嘿嘿 有结果啦
谢谢帮忙 嘿嘿
小编你是怎么解决的?跪求。我也在整这个
