如何能改善labview串口通信,波形图的实时显示性能? ...
时间:10-02
整理:3721RD
点击:
我通过串口向其发数据,当我改变数值后,得需要大约20s labview才将新的数据显示出来,?速度忒慢了。请求高手解惑?
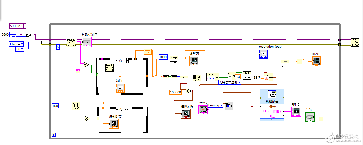
附上Vi。

看不懂 不知道有没有帮助
下方的条件选择中的波形图,显示延迟。读取缓冲区读取延迟
谢谢分享,好东西
好东西,又学习了不少东西
谢谢分享,好东西
这个地方怎么弄的啊我的怎么打不开呢亲

。
