关于文件写入问题
时间:10-02
整理:3721RD
点击:
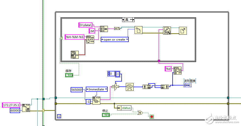
我要做一个保存功能,当点击保存时,自动建立一个文件开始保存数据,再次点击时关闭保存。要能够实现多次自动保存,也就是我每点击保存都会自动建立新文件进行保存。我做了一个基于日期时间的自动保存,但这个保存有问题,他是每过一秒就自动建立新文件保存,不管数据存没存完,请问我该怎么改。

你程序写的就是不停地生成新的文件夹来保存啊!

