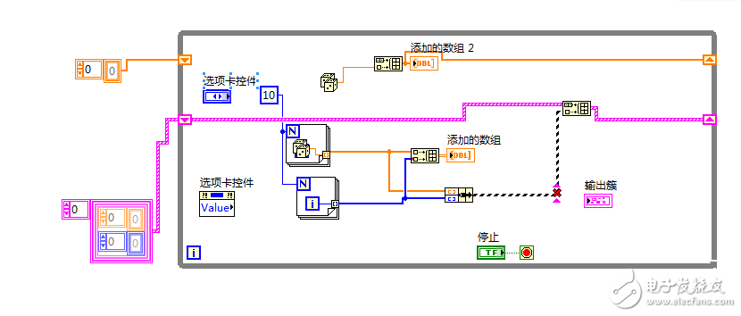
求助,大神过来 有图有真相,关于簇数组和簇的关系,谢谢
时间:10-02
整理:3721RD
点击:
最近就弄不明白,思考了很久,为什么数值能,通过创建数组添加到数组中,为什么簇作为一个元素就不行,求大神解答一下,解解惑


通过看书自己终于解决啦 哈哈哈哈
