labview的调试程序和执行程序在与串口通信时,有啥不一样?
时间:10-02
整理:3721RD
点击:
如题:
labview的调试程序和执行程序在与串口通信时,有啥不一样?
求大神赐教。
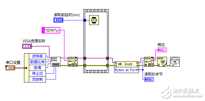
我现在遇到一个问题,程序在调试时,与设备通信完全没有问题,生成执行程序后,程序找不到串口服务器配置的虚拟串口,提示打开串口失败。


是不是在调用时串口时已经被占用,在调用前先关闭串口试试。
非也,关机重启后,打开执行程序,也是这个报错提示
看你程序,我便串口程序的时候还真没遇到过。能否将你程序贴上来
图片已经上传,你看看。麻烦
感谢感谢感谢感谢感谢感谢

这是最简单的串口通信程序,你写的这种我还真没见过,串口又打开就必须有关闭,若不关闭,其他程序是无法使用的,
