求帮忙看一下原因。问题有图具体介绍。我就是弄不懂原因。求指点。谢谢了
时间:10-02
整理:3721RD
点击:
这个不显示输入数据的问题困扰我很久了。经常会这样,但是我又一直不知道原因。如果有懂这方面的,能帮我分析一下到底什么问题吗?先谢谢了。
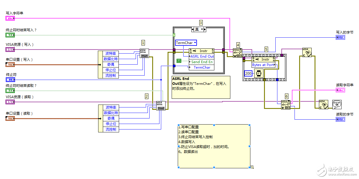
程序框图,图中有文字大体介绍程序

出错原因,显示界面总是不输出我输入的数据。其中com3和com我是用虚拟串口虚拟的串口 ...

不很明白你的問題是什麼,看圖解釋 VISA Configure Serial Port 使用一次就可以了,Delay time 要加在 VISA Write 跟 Bytes at port 之間。
谢谢您指点,我再研究研究
