想请问需要多次从串口读取数据的结构该怎么设计?
时间:10-02
整理:3721RD
点击:
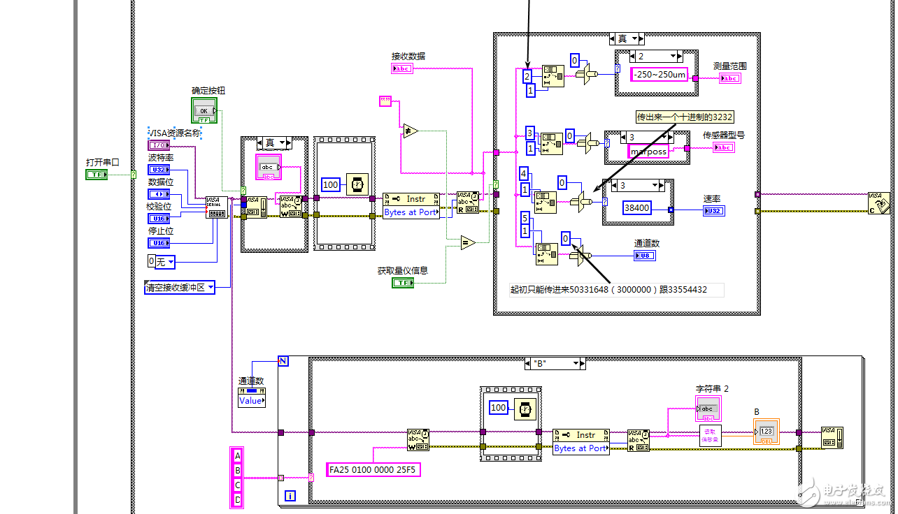
我做了一个可以获取仪器信息的模块,但是现在有些问题,因为基础薄弱,不知该怎么解决,特向各位请教一下。
1、我的程序在高亮模式下可以持久的①显示量仪的信息跟②ABCD通道的偏移量,如果取消高亮模式这个程序就会获取失败,我猜想①时间可能设置不对,②按键触发模式不对。后来我将按键触发改成了单击时转换,就变成了可以持久的①显示量仪的信息,但是②ABCD通道的偏移量还是一闪而过。
2、因为接下来还有一些模块想要设计,都需要从串口读数据,所以想请问怎么才能根据需要多次从串口读取数据,而不是像我这个模块中同时来读,我觉得应该用条件结构来实现?可是不太理解怎么去设置相应的条件,怎么去触发?枚举常量是用来干嘛的?
还请各位知无不言,谢谢!
1、我的程序在高亮模式下可以持久的①显示量仪的信息跟②ABCD通道的偏移量,如果取消高亮模式这个程序就会获取失败,我猜想①时间可能设置不对,②按键触发模式不对。后来我将按键触发改成了单击时转换,就变成了可以持久的①显示量仪的信息,但是②ABCD通道的偏移量还是一闪而过。
2、因为接下来还有一些模块想要设计,都需要从串口读数据,所以想请问怎么才能根据需要多次从串口读取数据,而不是像我这个模块中同时来读,我觉得应该用条件结构来实现?可是不太理解怎么去设置相应的条件,怎么去触发?枚举常量是用来干嘛的?
还请各位知无不言,谢谢!


我果然太LOW了 原来用到枚举常量那玩意叫状态机 这样可以解决我的串口问题吗?
