初学labview问题求教
时间:10-02
整理:3721RD
点击:
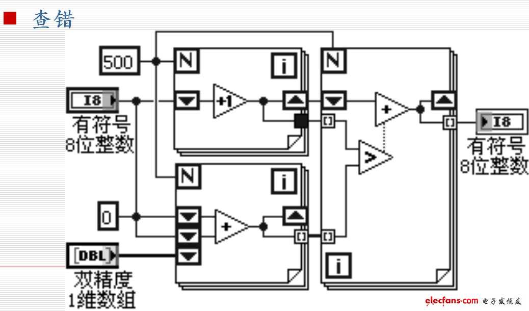
很新的初学者 遇到一个找查错的问题 想求助一下

另外在和c的混合编程也很头疼有c语言程序 不太清楚怎么用vc++生成和调用dll的具体过程
#include "stdio.h"
#include "conio.h"
main()
{
int m = 9009, n, a[9009], x=0;
for (n = 1; n 9; m--)
{
for(n = m - 1; n > 0; n--)
{
a[n] = x % n;
x = 10 * a[n-1] + x/n;
}
printf("%d", x);
}
printf("\nPress any key to continue ...\n");
getch();
}
查错自己拉拉线不久行了么。
左下角的循环结构,左边第1,2个移位寄存器赋两个初值?第三个赋值为一维数组会报错吧?
左上角的循环,索引有问题,右边的循环里面比较运算不能实现。等等应该还有
LabVIEW有一个功能可以显示你的数据流(运行一下看看就行了),可以帮助你检查错误哦
恩……试着拉一下线~
向小编求一份这个的实验报告啊~
