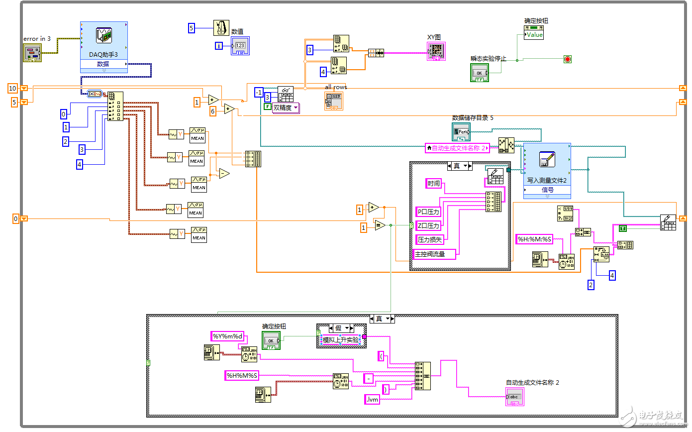
我用DAQ助手采集信号 DAQ助手放到循环里面记录数据的时...
时间:10-02
整理:3721RD
点击:
我用DAQ助手采集信号 DAQ助手放到循环里面记录数据的时候 一秒最多只能记录下20多个数据 更改助手的采样率也没用,我想单位时间内多采些数据哪位大神给指条明路呀


先别用DAQ,用底层代码试试
我也遇到这个问题啊 请问解决了吗
