如何实现图像数据的传输的?大神,有知道的不?
时间:10-02
整理:3721RD
点击:
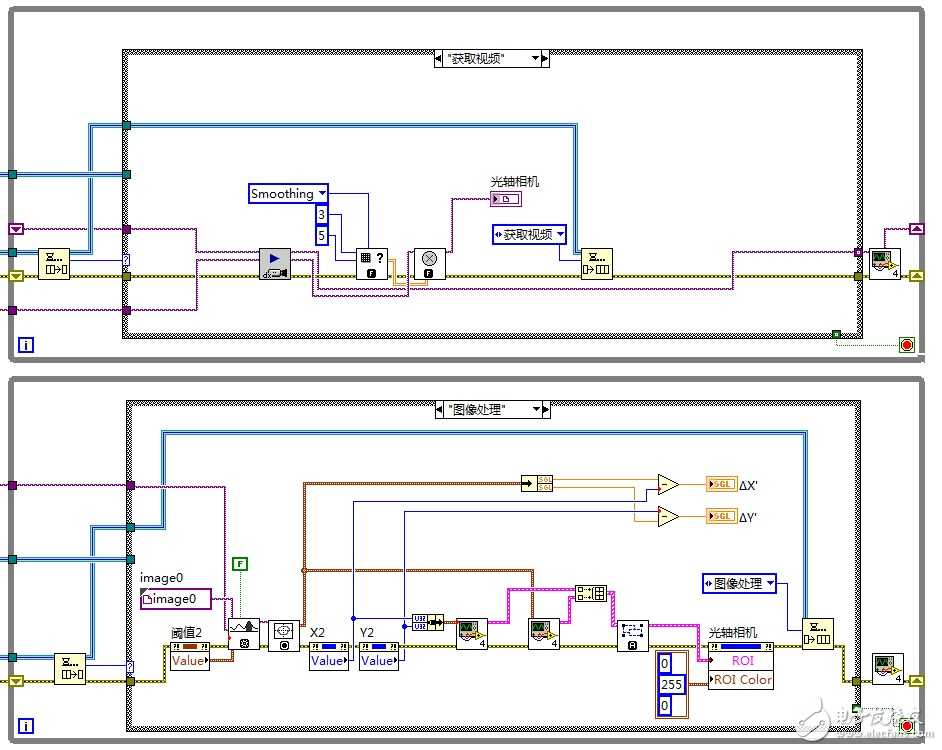
现在有一程序,一个循环用于采集图像,一个循环处理图像,但是不知道他们之间是如何传递图像数据的。请大神们帮忙解惑。多谢多谢!图形中光轴相机与image0之间是如何连接的?

亲,帮忙帮忙。
QQ 756176348 ¥¥¥¥¥¥¥¥¥¥¥¥¥¥¥¥¥¥¥¥¥¥4
队列状态机啊,一个入队,一个出队
