子vi之间实现如何数据同步
不太明白,你是做异步调用吗?
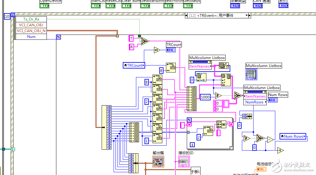
主vi有两个地方调用了同一个子vi,其中一个可以通过CAN卡从外部硬件接收数据,这两个子vi之间如何实现数据的同步
子vi间的数据通信?用全局变量吧,一个写入,一个读取,没有竞争问题,不过有没有延迟就不好说了,
要想同步 则子VI必须是同步运行,要想做到到同步运行,则需要对子VI进行如下设置:打开子VI,在前面板的右上角图标处,右键,VI属性--类别下拉框里面--选择 执行。重入框内选择“预先分副本重入执行”,点确定即可。
可否给个简单例子?全局变量看了但不知咋用。
http://bbs.elecfans.com/forum.ph ... p;page=1#pid3659457
我在这个帖子里有个例子,不过用的是引用,没有用全局变量
我用全局变量同步了子vi1和vi2的数据,vi1的数据是动态的连续数据,可是vi2通过按键被调用的时候显示出来的数据是静态的,咋回事?
我也试了一下好像确实是这样,如果全局变量不行的话,你可以试试队列,我再研究研究
感觉全局变量比较简单,队列还没用过。
还有想请问一下,我用labview读周立功CAN上的数,比如解析两个ID的数据,当接收的数据是ID1的时候,ID1那帧数据解析出来会显示一个数值,当接收的数据是ID2的时候,ID1那帧数据解析出来的量会恢复到0,导致数据显示上有突变,怎样保证没有数据输入的时候让显示控件保持上次读取的值呢?
把他先输出到一个变量里,控制那个变量就可以了,读取id2的时候,那个变量无操作,读取id1的时候再操作那个变量
可否QQ私聊?1917301791
单位没法上qq,端口封了,网页版也打不开


我估计大概是这个意思吧

是这个意思吗?只在特定分支重新给电压赋值,其他分支把电压之前的值赋给自己

这个意思没有错
你试试可以了没
你试试可以了没
你试试可以了没
先多谢了,现在有人在设备调试,等弄完了我试试
你好,还想请问一下,现在很多个参数分别用控件显示了,我想用按键操作来保存这些数据,格式无所谓,txt或excel都行,应该怎样实现呢?
