求LABVIEW串口通讯帮助!
时间:10-02
整理:3721RD
点击:
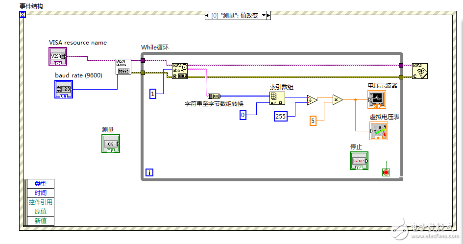
我的题目是《基于LABVIEW串口通讯的虚拟数字电压表设计》,谁能帮我看下这两张图里的内容有啥问题没?我自己运行时那个循环框里的停止不管用,而且波形显示就那么点,横轴时间坐标还在变,是怎么回事啊?急求。


问题不少,你那种是典型的前面板锁死,多看看事件结构,不是你这么用的。
我先把事件结构去掉,执行剩下的.不管怎么调节单片机经过串口传送的数值,波形就是一条直线,一直不变是怎么回事啊?
大家可以帮我看看这个串口读取有问题没?现在一直接收不到数据。题目还是那个

我的建议:一直都有问题的话,先用串口调试助手看看串口有没有接收到数据,然后再看程序,程序逻辑基本正确,但还有一些小细节没做好,特别注意要看缓冲区数据,然后再去看处理数据是否正确
