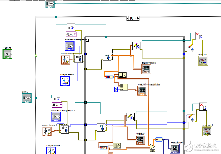
同时在同一环境下采集的波形相减后为什么不为0
时间:10-02
整理:3721RD
点击:
噪声反而更大了!

顺便问一下,相减后生成的新波形怎么再保存成声音文件,现在保存不了

顺便问一下,相减后生成的新波形怎么再保存成声音文件,现在保存不了
{:2:第二个帖子又无人
给各位大神跪下了
