求助,做了个实时采集的程序,丢数据,怎么办?
时间:10-02
整理:3721RD
点击:
做了个串口通信小程序,实现采集、保存、显示了,但是丢数据,有没有好办法?下位机发过来的1s钟100个数据,我采到的取只有10个。,求帮助

你确定数据接收过来后
用到的几个FF匹配逻辑没有错?
简易先把数据全部接收过来看是否完整
注意串口接收的间隔,你读到数据并保存文件需要时间,你确定是实时的么?
建议用生产者/消费者结构/结构
确定逻辑没错。用串口调试助手测试了,间隔20ms发送时就开始丢数据了,。
想要实现实时采集、保存,可不知道怎么弄啊,。这个生产者/消费者结构怎么弄啊,没用过,能帮帮忙么
请移步NI 范例,已经是很好的例子了。NI创建项目的时候有连续数据采集样本,够你用了
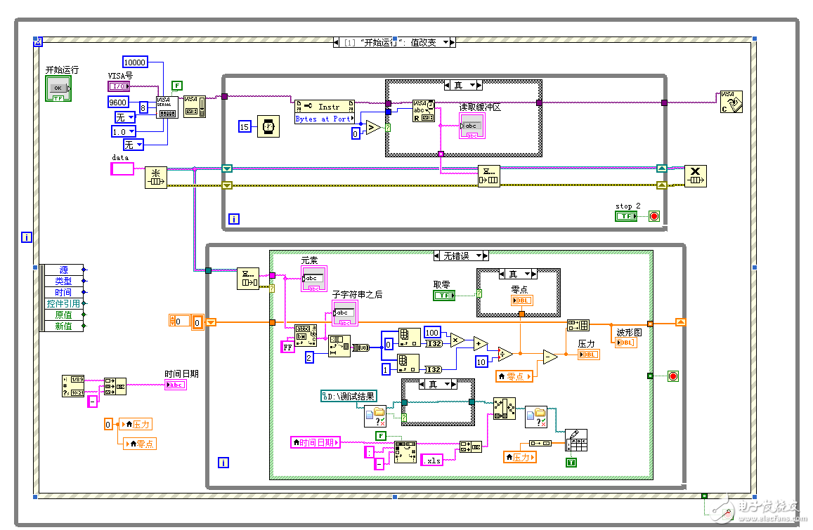
你好,多谢指点。我打算用生产者/消费者结构了,就是现在还有点问题。处理的时候出错了,能帮我看一下么。就是在消费者循环里边,第一个显示控件“元素‘还正常, 正则匹配后第二个显示控件”子字符串之后’就啥都没有了。为什么呢[img]D:\33.png%5B/img%5D

