求教有关labview串口的问题
时间:10-02
整理:3721RD
点击:
求教有关labview串口的问题
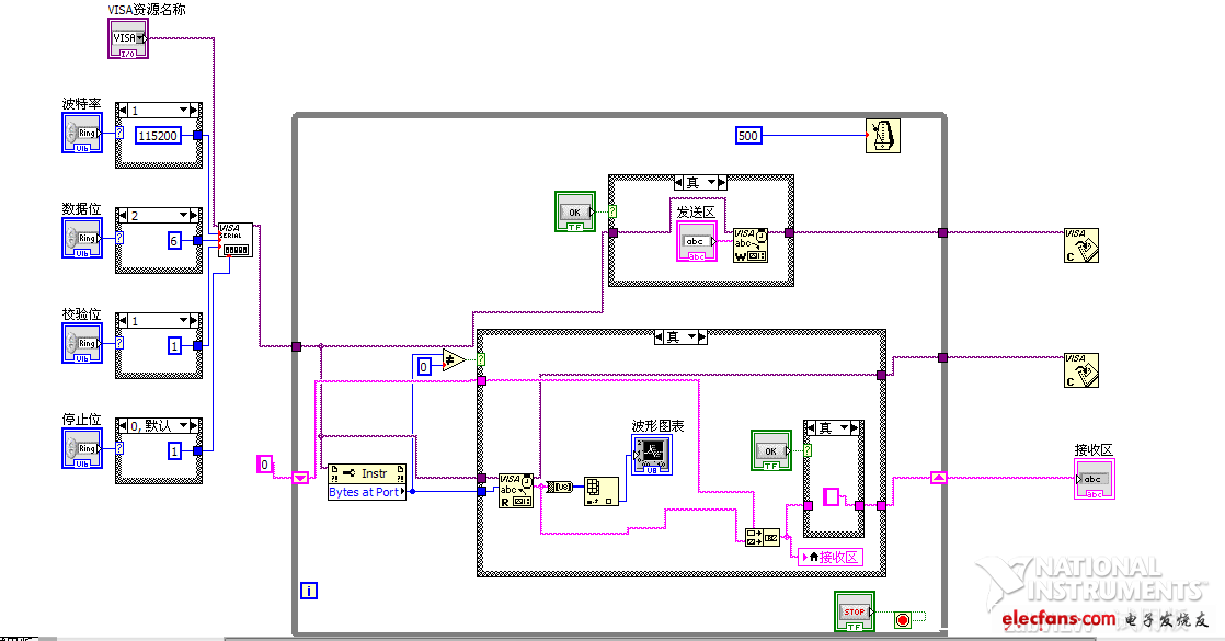
1.VISA: (Hex 0xBFFF001E) 该属性的指定状态无效,或者资源无法支持。但是点击继续后可以继续运行,这是怎么回事?
2.如何清空数据接收区的数据,我用的是if结构给接收区赋一个空字符串,但是清不了
3.用虚拟串口发一串数过来,比如1111,再输11344242,不过在波形图表中显示的是一条直线,怎么回事?
1.VISA: (Hex 0xBFFF001E) 该属性的指定状态无效,或者资源无法支持。但是点击继续后可以继续运行,这是怎么回事?
2.如何清空数据接收区的数据,我用的是if结构给接收区赋一个空字符串,但是清不了
3.用虚拟串口发一串数过来,比如1111,再输11344242,不过在波形图表中显示的是一条直线,怎么回事?

同求高手= =
同求高手
有结果吗?同求,运行就出现VISA: (Hex 0xBFFF001E) 该属性的指定状态无效,或者资源无法支持
1、串口初始化的停止为应该是10不是1,你最好是有右击创建。
2、把接收区的局部变量赋值,放在清空的if后面。
3、你显示的只是接受数据中的第一个字符的数据。起码用个for循环把索引数组代替了。
多看书和例子。
同求,我的也一样
波特率,停止位,奇偶检验,字节配置的数据类型不对。连线的时候,在接头处右击,创建,常量,改过来就好了
停止位 是10 而不是1,修改过来就有用了,我一开始还以为是驱动的问题,版本低了,换了高的也没用
我也遇到了这个问题,那为啥,停止位为10而不是1呢!求解释~
我也有同样的疑问,求解答!
