求讲解程序啦啦啦
时间:10-02
整理:3721RD
点击:
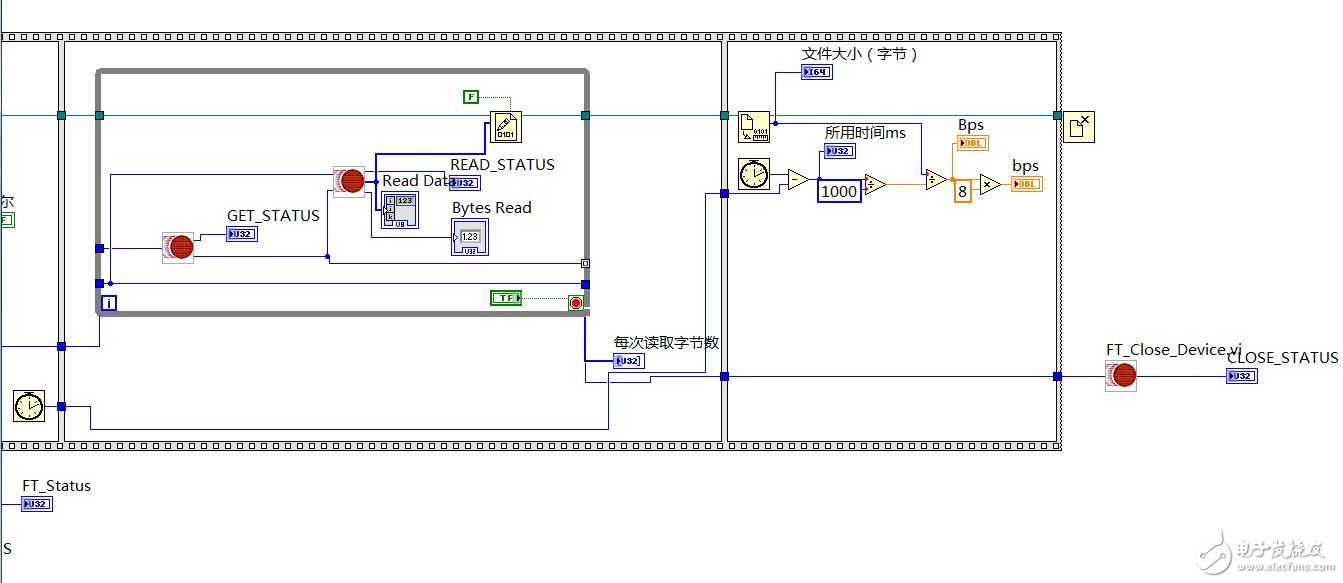
拿到一个LABVIEW程序,用于USB2.0的数据传输模块的,现在是在传输过程中会出现漏传的情况。我是新手,初学LABVIEW,程序看的也是很懂,希望各路大神能讲解一下,多谢多谢
因为程序有些大,只能分别截图,带来不便请见谅





