微波EDA网,见证研发工程师的成长!
搜 索
首页
微波射频
射频和无线通信
天线设计
硬件设计
PCB和SI
通信和网络
测试测量
应用设计
研发杂谈
研发问答
首页
>
研发问答
>
测试测量
>
Labview
> 簇如何通过TCP通信读入读出(数字量,布尔量)
簇如何通过TCP通信读入读出(数字量,布尔量)
时间:10-02
整理:3721RD
点击:
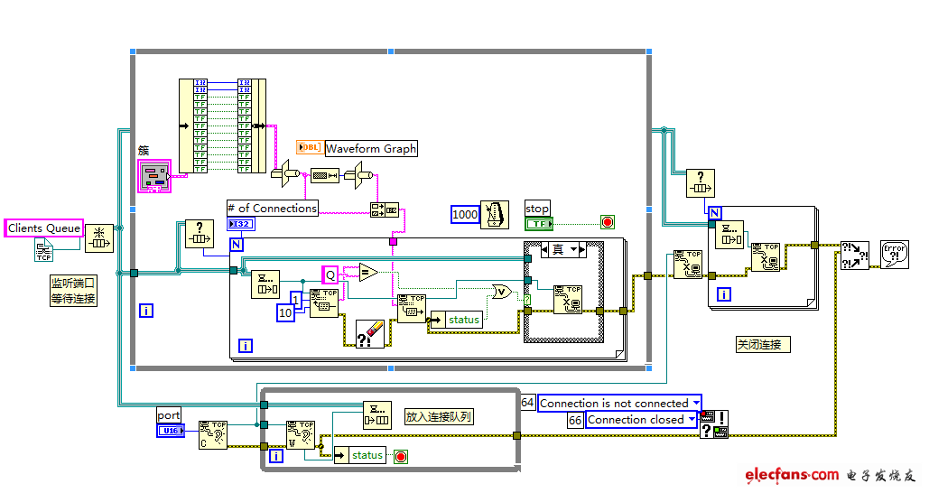
含有数字量,布尔量的簇如何写入,经TCP通信后又如何读出?谢谢!
已解决
感谢小编共享,学习了。
很好很好学习了
非常不错,值得学习
果然不错,值得好好研究一下子
?如何读入读出呢
上一篇:
CVI新手求教啊
下一篇:
daq多通道采集
栏目分类
移动通信
微波和射频技术
无线和射频
PCB设计问答
硬件电路设计
嵌入式设计讨论
手机设计讨论
信号完整性分析
测试测量
微电子和IC设计
热门文章
LabVIEW宝典(第2版)配套700
求MAC版的labview安装包,破解
labview中子面板控件问题,向
labview远程访问服务器的mysq
LabVIEW 8.6软件及注册机下载
注册表应用一:动态注册数据源
找个labview高手兼职
labview与PLC通过OPC(UA)通
Copyright © 2017-2020
微波EDA网
版权所有
网站地图
Top