labview事件结构怎么老是导致死机
时间:10-02
整理:3721RD
点击:



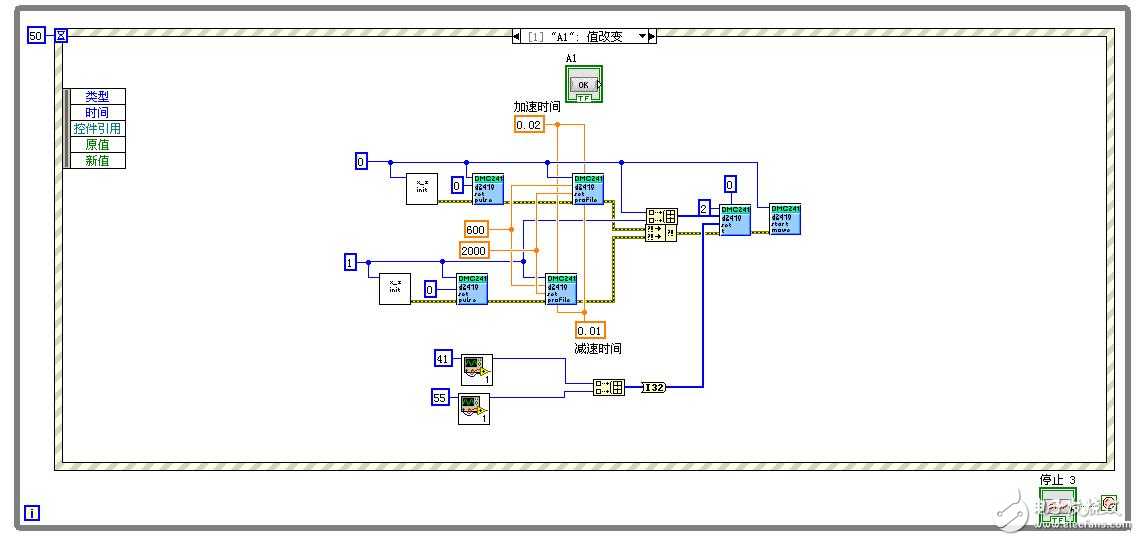
我编写的一个labview事件结构的程序,l理论上点击"请选择区域"后程序应该进入相应的事件结构中,再点击“A1”区域就可进入A1事件结构的程序电机进行相应的运动,可是为什么每次点击"请选择区域"后程序就卡在那里了,也不能再点击别的内容,(或者直接点击“A1”区域后程序就卡在那里了,也不能再点击别的内容),只能强制结束程序的执行。是延时没设置好程序一直等待吗?还是什么情况?谢谢了
已经解决了,修改了一下
