有关DAQ数据采集卡瞬间采集爆破压力信号问题急急急!
时间:10-02
整理:3721RD
点击:
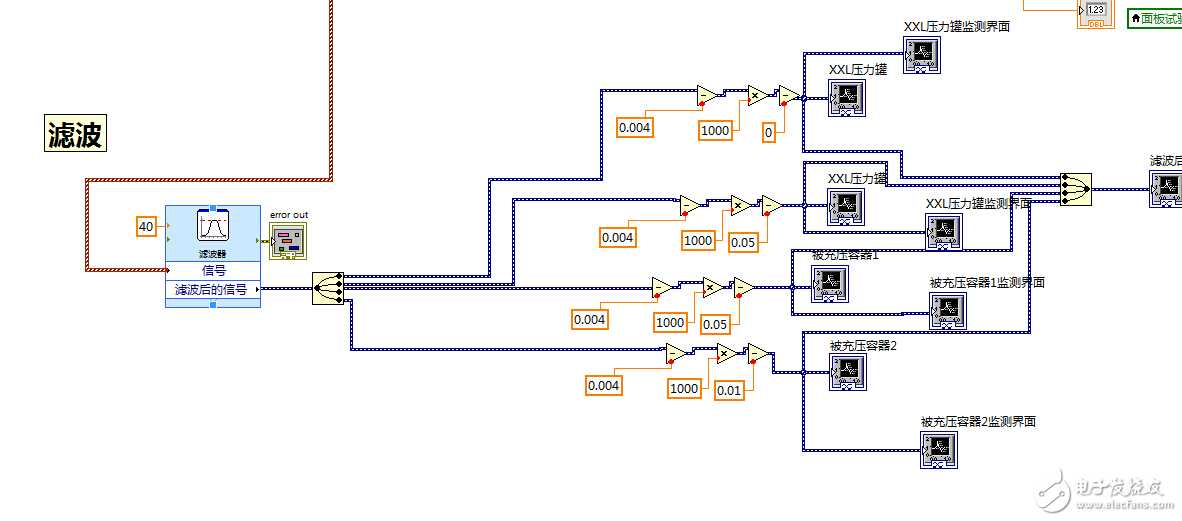
各位师长: 情况如下:前期的数字量控制没有问题,后期的模拟信号采集精度上已经达标,本实验就是通过通过气动球阀充压,检测爆破瞬间压力信号,整个数字量及模拟量控制、报表生成都在一个While循环中,就是在用DAQ9203模拟量电流采集模块采集某装置瞬间爆破打开的实时压力以及相应的从大气压到该爆破压力的时间差采集不到。DAQmx-timing设置采样率为1000,在DAQmx-read上设置的每通道采样点数为1000,由于干扰源的影响滤波选择巴特沃兹滤波器低通截止频率为40HZ(5HZ滤波效果更好,但延时更加严重,人为的也通索引数组最大值空间找出充压起始时的某个参考值为充压起始点及终点,但是我通过逻辑控制以及CASE结构都没有成功将信号采集到,我考虑了程序执行时间的影响但那时在uS级影响不大,还有我还考虑将所有采集数据都写入报表,通过我自行设定压力值向前去推算零压这样推算的结果与理论计算值差一个数量级,理论数量级在千分位,请各位师长提出你们的宝贵意见,不胜感激。



一个While循环中?
这样的话
应该是不会回答你的问题
还搞个屁呀我
一个就解决问题了
LabVIEW不是执行并行数据吗,可以在一个while循环中执行的呢,敢问兄长要是你怎么将数字量和模拟量进行控制,状态机吗如果是你的话?我现在的目的只是提高采集精度及时间,怎么能够尽量高的采集到。
