Excel生成问题:数据没办法在两个while之间传输
时间:10-02
整理:3721RD
点击:
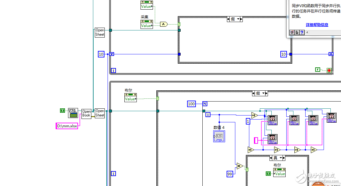
我现在想点一个开始采集就打开一个模板Excel,点结束采集就停止采集并保存这个Excel。接着继续点开始采集又打开模板。如图 我所写的程序只能打开模板一次,下一次采集的数据就覆盖了上一次的 做时间结构 数据没办法在两个while之间传输 求大神支招
图看的不是很明白,点结束是整个程序都停下来了吗,那样的话或许要加一个打开excel检测里面的内容的功能,有内容的话就接着往下写,就不会覆盖掉了。
