LabVIEW中 niRFSG Write Arb Waveform VI I16和I Q Array方式的区别?
时间:10-02
整理:3721RD
点击:
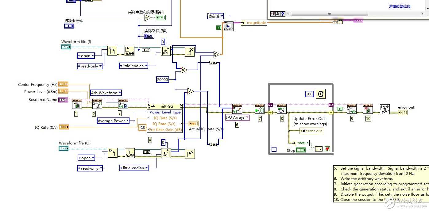
100MHz采样率,采样时长1ms,采样的点数是100000个的IQ信号(每个采样点的I和Q的值只有三种(0,1,-1)。
采用 IQ array方式将IQ数据写入(I,Q的值写入信号源PXIe-5673的任意波形发生模块5450(5450是一个16位的DAC,板载内存为512M)上),或者将I和Q的每一个值扩大一个倍数,频谱显示没有区别。
为什么 i16方式读取数据并写入5450,直接写入原始I和Q的值(0,1,-1)时,观察不到频谱(按IQ array方式读取短时间数据并写入5450可以观察到频谱),但是I和Q的值乘以系数2000或者其他值(小于32768)时有正确的频谱。
采用I16和IQ array为什么会有区别?里面的机制是什么样的?
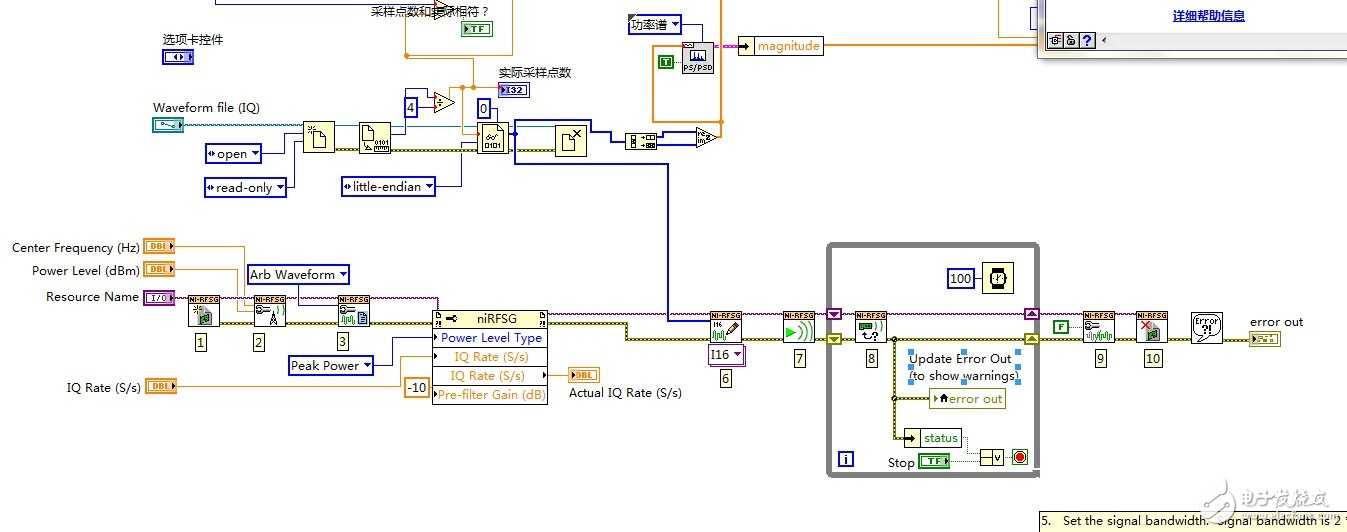
采用 IQ array方式将IQ数据写入(I,Q的值写入信号源PXIe-5673的任意波形发生模块5450(5450是一个16位的DAC,板载内存为512M)上),或者将I和Q的每一个值扩大一个倍数,频谱显示没有区别。
为什么 i16方式读取数据并写入5450,直接写入原始I和Q的值(0,1,-1)时,观察不到频谱(按IQ array方式读取短时间数据并写入5450可以观察到频谱),但是I和Q的值乘以系数2000或者其他值(小于32768)时有正确的频谱。
采用I16和IQ array为什么会有区别?里面的机制是什么样的?


帖子怎么沉了啊 有知道原因的大神吗?
