了解MOS管,看这个就够了!
时间:10-02
整理:3721RD
点击:
MOS管学名是场效应管,是金属-氧化物-半导体型场效应管,属于绝缘栅型。本文就结构构造、特点、实用电路等几个方面用工程师的话简单描述。其结构示意图:
解释1:沟道上面图中,下边的p型中间一个窄长条就是沟道,使得左右两块P型极连在一起,因此mos管导通后是电阻特性,因此它的一个重要参数就是导通电阻,选用mos管必须清楚这个参数是否符合需求。解释2:n型上图表示的是p型mos管,读者可以依据此图理解n型的,都是反过来即可。因此,不难理解,n型的如图在栅极加正压会导致导通,而p型的相反。解释3:增强型相对于耗尽型,增强型是通过“加厚”导电沟道的厚度来导通,如图。栅极电压越低,则p型源、漏极的正离子就越靠近中间,n衬底的负离子就越远离栅极,栅极电压达到一个值,叫阀值或坎压时,由p型游离出来的正离子连在一起,形成通道,就是图示效果。因此,容易理解,栅极电压必须低到一定程度才能导通,电压越低,通道越厚,导通电阻越小。由于电场的强度与距离平方成正比,因此,电场强到一定程度之后,电压下降引起的沟道加厚就不明显了,也是因为n型负离子的“退让”是越来越难的。耗尽型的是事先做出一个导通层,用栅极来加厚或者减薄来控制源漏的导通。但这种管子一般不生产,在市面基本见不到。所以,大家平时说mos管,就默认是增强型的。解释4:左右对称图示左右是对称的,难免会有人问怎么区分源极和漏极呢?其实原理上,源极和漏极确实是对称的,是不区分的。但在实际应用中,厂家一般在源极和漏极之间连接一个二极管,起保护作用,正是这个二极管决定了源极和漏极,这样,封装也就固定了,便于实用。我的老师年轻时用过不带二极管的mos管。非常容易被静电击穿,平时要放在铁质罐子里,它的源极和漏极就是随便接。解释5:金属氧化物膜图中有指示,这个膜是绝缘的,用来电气隔离,使得栅极只能形成电场,不能通过直流电,因此是用电压控制的。在直流电气上,栅极和源漏极是断路。不难理解,这个膜越薄:电场作用越好、坎压越小、相同栅极电压时导通能力越强。坏处是:越容易击穿、工艺制作难度越大而价格越贵。例如导通电阻在欧姆级的,1角人民币左右买一个,而2402等在十毫欧级的,要2元多(批量买。零售是4元左右)。解释6:与实物的区别上图仅仅是原理性的,实际的元件增加了源-漏之间跨接的保护二极管,从而区分了源极和漏极。实际的元件,p型的,衬底是接正电源的,使得栅极预先成为相对负电压,因此p型的管子,栅极不用加负电压了,接地就能保证导通。相当于预先形成了不能导通的沟道,严格讲应该是耗尽型了。好处是明显的,应用时抛开了负电压。解释7:寄生电容上图的栅极通过金属氧化物与衬底形成一个电容,越是高品质的mos,膜越薄,寄生电容越大,经常mos管的寄生电容达到nF级。这个参数是mos管选择时至关重要的参数之一,必须考虑清楚。Mos管用于控制大电流通断,经常被要求数十K乃至数M的开关频率,在这种用途中,栅极信号具有交流特征,频率越高,交流成分越大,寄生电容就能通过交流电流的形式通过电流,形成栅极电流。消耗的电能、产生的热量不可忽视,甚至成为主要问题。为了追求高速,需要强大的栅极驱动,也是这个道理。试想,弱驱动信号瞬间变为高电平,但是为了“灌满”寄生电容需要时间,就会产生上升沿变缓,对开关频率形成重大威胁直至不能工作。解释8:如何工作在放大区Mos管也能工作在放大区,而且很常见。做镜像电流源、运放、反馈控制等,都是利用mos管工作在放大区,由于mos管的特性,当沟道处于似通非通时,栅极电压直接影响沟道的导电能力,呈现一定的线性关系。由于栅极与源漏隔离,因此其输入阻抗可视为无穷大,当然,随频率增加阻抗就越来越小,一定频率时,就变得不可忽视。这个高阻抗特点被广泛用于运放,运放分析的虚连、虚断两个重要原则就是基于这个特点。这是三极管不可比拟的。解释9:发热原因Mos管发热,主要原因之一是寄生电容在频繁开启关闭时,显现交流特性而具有阻抗,形成电流。有电流就有发热,并非电场型的就没有电流。另一个原因是当栅极电压爬升缓慢时,导通状态要“路过”一个由关闭到导通的临界点,这时,导通电阻很大,发热比较厉害。第三个原因是导通后,沟道有电阻,过主电流,形成发热。主要考虑的发热是第1和第3点。许多mos管具有结温过高保护,所谓结温就是金属氧化膜下面的沟道区域温度,一般是150摄氏度。超过此温度,mos管不可能导通。温度下降就恢复。要注意这种保护状态的后果。但愿上述描述能通俗的理解mos管,下面说说几个约定俗成电路:1:pmos应用一般用于管理电源的通断,属于无触点开关,栅极低电平就完全导通,高电平就完全截止。而且,栅极可以加高过电源的电压,意味着可以用5v信号管理3v电源的开关,这个原理也用于电平转换。2:nmos管应用一般用于管理某电路是否接地,属于无触点开关,栅极高电平就导通导致接地,低电平截止。当然栅极也可以用负电压截止,但这个好处没什么意义。其高电平可以高过被控制部分的电源,因为栅极是隔离的。因此可以用5v信号控制3v系统的某处是否接地,这个原理也用于电平转换。3:放大区应用工作于放大区,一般用来设计反馈电路,需要的专业知识比较多,类似运放,这里无法细说。常用做镜像电流源、电流反馈、电压反馈等。至于运放的集成应用,我们其实不用关注。人家都做好了,看好datasheet就可以了,不用按mos管方式去考虑导通电阻和寄生电容。MOS管的基本知识 现在的高清、液晶、等离子电视机中开关电源部分除了采用了PFC技术外,在元器件上的开关管均采用性能优异的MOS管取代过去的大功率晶体三极管,使整机的效率、可靠性、故障率均大幅的下降。由于MOS管和大功率晶体三极管在结构、特性有着本质上的区别,在应用上;驱动电路也比晶体三极管复杂,致使维修人员对电路、故障的分析倍感困难,此文即针对这一问题,把MOS管及其应用电路作简单介绍,以满足维修人员需求。一、什么是MOS管MOS管的英文全称叫MOSFET(Metal Oxide Semiconductor Field Effect Transistor),即金属氧化物半导体型场效应管,属于场效应管中的绝缘栅型。因此,MOS管有时被称为绝缘栅场效应管。在一般电子电路中,MOS管通常被用于放大电路或开关电路。1、MOS管的构造;在一块掺杂浓度较低的P型半导体硅衬底上,用半导体光刻、扩散工艺制作两个高掺杂浓度的N+区,并用金属铝引出两个电极,分别作为漏极D和源极S。然后在漏极和源极之间的P型半导体表面复盖一层很薄的二氧化硅(Si02)绝缘层膜,在再这个绝缘层膜上装上一个铝电极,作为栅极G。这就构成了一个N沟道(NPN型)增强型MOS管。显然它的栅极和其它电极间是绝缘的。图1-1所示 A 、B分别是它的结构图和代表符号。同样用上述相同的方法在一块掺杂浓度较低的N型半导体硅衬底上,用半导体光刻、扩散工艺制作两个高掺杂浓度的P+区,及上述相同的栅极制作过程,就制成为一个P沟道(PNP型)增强型MOS管。图1-2所示A 、B分别是P沟道MOS管道结构图和代表符号。
图1 -1-A 图1 -1-B
图1-2-A 图1-2-B2、MOS管的工作原理:图1-3是N沟道MOS管工作原理图;
图1-3-A
图1-3-B从图1-3-A可以看出,增强型MOS管的漏极D和源极S之间有两个背靠背的PN结。当栅-源电压VGS=0时,即使加上漏-源电压VDS,总有一个PN结处于反偏状态,漏-源极间没有导电沟道(没有电流流过),所以这时漏极电流ID=0。此时若在栅-源极间加上正向电压,图1-3-B所示,即VGS>0,则栅极和硅衬底之间的SiO2绝缘层中便产生一个栅极指向P型硅衬底的电场,由于氧化物层是绝缘的,栅极所加电压VGS无法形成电流,氧化物层的两边就形成了一个电容,VGS等效是对这个电容充电,并形成一个电场,随着VGS逐渐升高,受栅极正电压的吸引,在这个电容的另一边就聚集大量的电子并形成了一个从漏极到源极的N型导电沟道,当VGS大于管子的开启电压VT(一般约为 2V)时,N沟道管开始导通,形成漏极电流ID,我们把开始形成沟道时的栅-源极电压称为开启电压,一般用VT表示。控制栅极电压VGS的大小改变了电场的强弱,就可以达到控制漏极电流ID的大小的目的,这也是MOS管用电场来控制电流的一个重要特点,所以也称之为场效应管。3、MOS管的特性;上述MOS管的工作原理中可以看出,MOS管的栅极G和源极S之间是绝缘的,由于Sio2绝缘层的存在,在栅极G和源极S之间等效是一个电容存在,电压VGS产生电场从而导致源极-漏极电流的产生。此时的栅极电压VGS决定了漏极电流的大小,控制栅极电压VGS的大小就可以控制漏极电流ID的大小。这就可以得出如下结论:1) MOS管是一个由改变电压来控制电流的器件,所以是电压器件。2) MOS管道输入特性为容性特性,所以输入阻抗极高。4、MOS管的电压极性和符号规则;图1-4-A 是N沟道MOS管的符号,图中D是漏极,S是源极,G是栅极,中间的箭头表示衬底,如果箭头向里表示是N沟道的MOS管,箭头向外表示是P沟道的MOS管。在实际MOS管生产的过程中衬底在出厂前就和源极连接,所以在符号的规则中;表示衬底的箭头也必须和源极相连接,以区别漏极和源极。图1-5-A是P沟道MOS管的符号。MOS管应用电压的极性和我们普通的晶体三极管相同,N沟道的类似NPN晶体三极管,漏极D接正极,源极S接负极,栅极G正电压时导电沟道建立,N沟道MOS管开始工作,如图1-4-B所示。同样P道的类似PNP晶体三极管,漏极D接负极,源极S接正极,栅极G负电压时,导电沟道建立,P沟道MOS管开始工作,如图1-5-B所示。
图1-4-A N沟道MOS管符号
图1-4-B N沟道MOS管电压极性及衬底连接
图1-5-A P沟道MOS管符号
图1-5-B P沟道MOS管电压极性及衬底连接5、MOS管和晶体三极管相比的重要特性;1).场效应管的源极S、栅极G、漏极D分别对应于三极管的发射极e、基极b、集电极c,它们的作用相似,图1-6-A所示是N沟道MOS管和NPN型晶体三极管引脚,图1-6-B所示是P沟道MOS管和PNP型晶体三极管引脚对应图。
图1-6-A 图1-6-B2).场效应管是电压控制电流器件,由VGS控制ID,普通的晶体三极管是电流控制电流器件,由IB控制IC。MOS管道放大系数是(跨导gm)当栅极电压改变一伏时能引起漏极电流变化多少安培。晶体三极管是电流放大系数(贝塔β)当基极电流改变一毫安时能引起集电极电流变化多少。3).场效应管栅极和其它电极是绝缘的,不产生电流;而三极管工作时基极电流IB决定集电极电流IC。因此场效应管的输入电阻比三极管的输入电阻高的多。4).场效应管只有多数载流子参与导电;三极管有多数载流子和少数载流子两种载流子参与导电,因少数载流子浓度受温度、辐射等因素影响较大,所以场效应管比三极管的温度稳定性好。5).场效应管在源极未与衬底连在一起时,源极和漏极可以互换使用,且特性变化不大,而三极管的集电极与发射极互换使用时,其特性差异很大,b 值将减小很多。6).场效应管的噪声系数很小,在低噪声放大电路的输入级及要求信噪比较高的电路中要选用场效应管。7).场效应管和普通晶体三极管均可组成各种放大电路和开关电路,但是场效应管制造工艺简单,并且又具有普通晶体三极管不能比拟的优秀特性,在各种电路及应用中正逐步的取代普通晶体三极管,目前的大规模和超大规模集成电路中,已经广泛的采用场效应管。6、在开关电源电路中;大功率MOS管和大功率晶体三极管相比MOS管的优点;1)、输入阻抗高,驱动功率小:由于栅源之间是二氧化硅(SiO2)绝缘层,栅源之间的直流电阻基本上就是SiO2绝缘电阻,一般达100MΩ左右,交流输入阻抗基本上就是输入电容的容抗。由于输入阻抗高,对激励信号不会产生压降,有电压就可以驱动,所以驱动功率极小(灵敏度高)。一般的晶体三极管必需有基极电压Vb,再产生基极电流Ib,才能驱动集电极电流的产生。晶体三极管的驱动是需要功率的(Vb×Ib)。2)、开关速度快:MOSFET的开关速度和输入的容性特性的有很大关系,由于输入容性特性的存在,使开关的速度变慢,但是在作为开关运用时,可降低驱动电路内阻,加快开关速度(输入采用了后述的“灌流电路”驱动,加快了容性的充放电的时间)。MOSFET只靠多子导电,不存在少子储存效应,因而关断过程非常迅速,开关时间在10—100ns之间,工作频率可达100kHz以上,普通的晶体三极管由于少数载流子的存储效应,使开关总有滞后现象,影响开关速度的提高(目前采用MOS管的开关电源其工作频率可以轻易的做到100K/S~150K/S,这对于普通的大功率晶体三极管来说是难以想象的)。3)、无二次击穿;由于普通的功率晶体三极管具有当温度上升就会导致集电极电流上升(正的温度~电流特性)的现象,而集电极电流的上升又会导致温度进一步的上升,温度进一步的上升,更进一步的导致集电极电流的上升这一恶性循环。而晶体三极管的耐压VCEO随管温度升高是逐步下降,这就形成了管温继续上升、耐压继续下降最终导致晶体三极管的击穿,这是一种导致电视机开关电源管和行输出管损坏率占95%的破环性的热电击穿现象,也称为二次击穿现象。MOS管具有和普通晶体三极管相反的温度~电流特性,即当管温度(或环境温度)上升时,沟道电流IDS反而下降。例如;一只IDS=10A的MOS FET开关管,当VGS控制电压不变时,在250C温度下IDS=3A,当芯片温度升高为1000C时,IDS降低到2A,这种因温度上升而导致沟道电流IDS下降的负温度电流特性,使之不会产生恶性循环而热击穿。也就是MOS管没有二次击穿现象,可见采用MOS管作为开关管,其开关管的损坏率大幅度的降低,近两年电视机开关电源采用MOS管代替过去的普通晶体三极管后,开关管损坏率大大降低也是一个极好的证明。4)、MOS管导通后其导通特性呈纯阻性;普通晶体三极管在饱和导通是,几乎是直通,有一个极低的压降,称为饱和压降,既然有一个压降,那么也就是;普通晶体三极管在饱和导通后等效是一个阻值极小的电阻,但是这个等效的电阻是一个非线性的电阻(电阻上的电压和流过的电流不能符合欧姆定律),而MOS管作为开关管应用,在饱和导通后也存在一个阻值极小的电阻,但是这个电阻等效一个线性电阻,其电阻的阻值和两端的电压降和流过的电流符合欧姆定律的关系,电流大压降就大,电流小压降就小,导通后既然等效是一个线性元件,线性元件就可以并联应用,当这样两个电阻并联在一起,就有一个自动电流平衡的作用,所以MOS管在一个管子功率不够的时候,可以多管并联应用,且不必另外增加平衡措施(非线性器件是不能直接并联应用的)。MOS管和普通的晶体三极管相比,有以上四项优点,就足以使MOS管在开关运用状态下完全取代普通的晶体三极管。目前的技术MOS管道VDS能做到1000V,只能作为开关电源的开关管应用,随着制造工艺的不断进步,VDS的不断提高,取代显像管电视机的行输出管也是近期能实现的。二、灌流电路1、MOS管作为开关管应用的特殊驱动电路;灌流电路MOS管和普通晶体三极管相比,有诸多的优点,但是在作为大功率开关管应用时,由于MOS管具有的容性输入特性,MOS管的输入端,等于是一个小电容器,输入的开关激励信号,实际上是在对这个电容进行反复的充电、放电的过程,在充放电的过程中,使MOS管道导通和关闭产生了滞后,使“开”与“关”的过程变慢,这是开关元件不能允许的(功耗增加,烧坏开关管),如图所示,在图2-1中 A方波为输入端的激励波形,电阻R为激励信号内阻,电容C为MOS管输入端等效电容,激励波形A加到输入端是对等效电容C的充放电作用,使输入端实际的电
图2-1压波形变成B的畸变波形,导致开关管不能正常开关工作而损坏,解决的方法就是,只要R足够的小,甚至没有阻值,激励信号能提供足够的电流,就能使等效电容迅速的充电、放电,这样MOS开关管就能迅速的“开”、“关”,保证了正常工作。由于激励信号是有内阻的,信号的激励电流也是有限度,我们在作为开关管的MOS管的输入部分,增加一个减少内阻、增加激励电流的“灌流电路”来解决此问题,如图2-2所示。
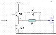
图2-2在图2-2中;在作为开关应用的MOS管Q3的栅极S和激励信号之间增加Q1、Q2两只开关管,此两只管均为普通的晶体三极管,两只管接成串联连接,Q1为NPN型Q2为PNP型,基极连接在一起(实际上是一个PNP、NPN互补的射极跟随器),两只管等效是两只在方波激励信号控制下轮流导通的开关,如图2-2-A、图2-2-B当激励方波信号的正半周来到时;晶体三极管Q1(NPN)导通、Q2(PNP)截止,VCC经过Q1导通对MOS开关管Q3的栅极充电,由于Q1是饱和导通,VCC等效是直接加到MOS管Q3的栅极,瞬间充电电流极大,充电时间极短,保证了MOS开关管Q3的迅速的“开”,如图2-2-A所示(图2-2-A和图2-2-B中的电容C为MOS管栅极S的等效电容)。当激励方波信号的负半周来到时;晶体三极管Q1(NPN)截止、Q2(PNP)导通,MOS开关管Q3的栅极所充的电荷,经过Q2迅速放电,由于Q2是饱和导通,放电时间极短,保证了MOS开关管Q3的迅速的“关”,如图2-2-B所示。
图2-2-A 图2-2-B由于MOS管在制造工艺上栅极S的引线的电流容量有一定的限度,所以在Q1在饱和导通时VCC对MOS管栅极S的瞬时充电电流巨大,极易损坏MOS管的输入端,为了保护MOS管的安全,在具体的电路中必须采取措施限制瞬时充电的电流值,在栅极充电的电路中串接一个适当的充电限流电阻R,如图2-3-A所示。充电限流电阻R的阻值的选取;要根据MOS管的输入电容的大小,激励脉冲的频率及灌流电路的VCC(VCC一般为12V)的大小决定一般在数十姆欧到一百欧姆之间。
图2-3-A
图2-3-B由于充电限流电阻的增加,使在激励方波负半周时Q2导通时放电的速度受到限制(充电时是VCC产生电流,放电时是栅极所充的电压VGS产生电流,VGS远远小于VCC,R的存在大大的降低了放电的速率)使MOS管的开关特性变坏,为了使R阻值在放电时不影响迅速放电的速率,在充电限流电阻R上并联一个形成放电通路的二极管D,图2-3-B所示。此二极管在放电时导通,在充电时反偏截止。这样增加了充电限流电阻和放电二极管后,既保证了MOS管的安全,又保证了MOS管,“开”与“关”的迅速动作。2、另一种灌流电路灌流电路的另外一种形式,对于某些功率较小的开关电源上采用的MOS管往往采用了图2-4-A的电路方式。
图2-4-A
图2-4-B图中 D为充电二极管,Q为放电三极管(PNP)。工作过程是这样,当激励方波正半周时,D导通,对MOS管输入端等效电容充电(此时Q截止),在当激励方波负半周时,D截止,Q导通,MOS管栅极S所充电荷,通过Q放电,MOS管完成“开”与“关”的动作,如图2-4-B所示。此电路由激励信号直接“灌流”,激励信号源要求内阻较低。该电路一般应用在功率较小的开关电源上。3、MOS管开关应用必须设置泄放电阻;MOS管在开关状态工作时;Q1、Q2是轮流导通,MOS管栅极是在反复充电、放电的状态,如果在此时关闭电源,MOS管的栅极就有两种状态;一个状态是;放电状态,栅极等效电容没有电荷存储,一个状态是;充电状态,栅极等效电容正好处于电荷充满状态,图2-5-A所示。虽然电源切断,此时Q1、Q2也都处于断开状态,电荷没有释放的回路,MOS管栅极的电场仍然存在(能保持很长时间),建立导电沟道的条件并没有消失。这样在再次开机瞬间,由于激励信号还没有建立,而开机瞬间MOS管的漏极电源(VDS)随机提供,在导电沟道的作用下,MOS管即刻产生不受控的巨大漏极电流ID,引起MOS管烧坏。为了避免此现象产生,在MOS管的栅极对源极并接一只泄放电阻R1,如图2-5-B所示,关机后栅极存储的电荷通过R1迅速释放,此电阻的阻值不可太大,以保证电荷的迅速释放,一般在5K~数10K左右。
图2-5-A
图2-5-B灌流电路主要是针对MOS管在作为开关管运用时其容性的输入特性,引起“开”、“关”动作滞后而设置的电路,当MOS管作为其他用途;例如线性放大等应用,就没有必要设置灌流电路。三、大功率MOS管开关电路。实例应用电路分析初步的了解了以上的关于MOS管的一些知识后,一般的就可以简单的分析,采用MOS管开关电源的电路了。1、 三星等离子V2屏开关电源PFC部分激励电路分析;图3-1所示是三星V2屏开关电源,PFC电源部分电原理图,图3-2所示是其等效电路框图。
图3-1
图3-2图3-1所示;是三星V2屏等离子开关电源的PFC激励部分。从图中可以看出;这是一个并联开关电源L1是储能电感,D10是这个开关电源的整流二极管,Q1、Q2是开关管,为了保证PFC开关电源有足够的功率输出,采用了两只MOS管Q1、Q2并联应用(图3-2所示;是该并联开关电源等效电路图,图中可以看出该并联开关电源是加在整流桥堆和滤波电容C5之间的),图中Q3、Q4是灌流激励管,Q3、Q4的基极输入开关激励信号, VCC-S-R是Q3、Q4的VCC供电(22.5V)。两只开关管Q1、Q2的栅极分别有各自的充电限流电阻和放电二极管,R16是Q2的在激烈信号为正半周时的对Q2栅极等效电容充电的限流电阻,D7是Q2在激烈信号为负半周时的Q2栅极等效电容放电的放电二极管,同样R14、D6则是Q1的充电限流电阻和放电的放电二极管。R17和R18是Q1和Q2的关机栅极电荷泄放电阻。D9是开机瞬间浪涌电流分流二极管。2、 三星等离子V4屏开关电源PFC部分激励电路分析;图3-3所示;是三星V4屏开关电源PFC激励部分电原理图,可以看出该V4屏电路激励部分原理相同于V2屏。只是在每一只大功率MOS开关管的栅极泄放电阻(R209、R206)上又并联了过压保护二极管;ZD202、ZD201及ZD204、ZD203
图3-33、 海信液晶开关电源PFC部分激励电路分析,图3-4所示;海信液晶电视32寸~46寸均采用该开关电源,电源采用了复合集成电路SMA—E1017(PFC和PWM共用一块复合激励集成电路),同样该PFC开关电源部分也是一个并联的开关电源,图3-4所示。TE001是储能电感、DE004是开关电源的整流管、QE001、QE002是两只并联的大功率MOS开关管。该集成电路的PFCOUTPUT端子是激励输出,,RE008、RE009、RE010、VE001、DE002、RE011、DE003组成QE001和QE002的灌流电路。
图3-4灌流电路的等效电路如图3-5所示,从图中,可以清晰的看出该灌流电路的原理及各个元件的作用。从等效电路图来分析,集成电路的激励输出端(PFCOUTPUT端子),输出方波的正半周时DE002导通,经过RE008、RE010对MOS开关管QE001和QE002的栅极充电,当激励端为负半周时,DE002截止,由于晶体三极管VE001是PNP型,负半周信号致使VE001导通,此时;QE001和QE002的栅极所充电荷经过VE001放电,MOS管完成“开”、“关”周期的工作。从图3-5的分析中,RE011作用是充电的限流电阻,而在放电时由于VE001的存在和导通,已经建立了放电的回路,DE003的作用是加速VE001的导通,开关管关闭更加迅速。图3-4所示原理图是PFC开关电源及PWM开关电源的电原理图,该电路中的集成电路MSA-E1017是把PFC部分的激励控制和PWM部分激励控制复合在一块集成电路中,图3-6是原理框图,图中的QE003及TE002是PWM开关电源的开关管及开关变压器,RE050是QE003的充电限流电阻、DE020是其放电二极管。
图3-5
图3-6四、MOS管的防静电保护MOS管是属于绝缘栅场效应管,栅极是无直流通路,输入阻抗极高,极易引起静电荷聚集,产生较高的电压将栅极和源极之间的绝缘层击穿。早期生产的MOS管大都没有防静电的措施,所以在保管及应用上要非常小心,特别是功率较小的MOS管,由于功率较小的MOS管输入电容比较小,接触到静电时产生的电压较高,容易引起静电击穿。而近期的增强型大功率MOS管则有比较大的区别,首先由于功能较大输入电容也比较大,这样接触到静电就有一个充电的过程,产生的电压较小,引起击穿的可能较小,再者现在的大功率MOS管在内部的栅极和源极有一个保护的稳压管DZ(图4-1所示),把静电嵌位于保护稳压二极管的稳压值以下,有效的保护了栅极和源极的绝缘层,不同功率、不同型号的MOS管其保护稳压二极管的稳压值是不同的。虽然MOS管内部有了保护措施,我们操作时也应按照防静电的操作规程进行,这是一个合格的维修员应该具备的。
图4-1五、MOS管的检测与代换:在修理电视机及电器设备时,会遇到各种元器件的损坏,MOS管也在其中,这就是我们的维修人员如何利用常用的万用表来判断MOS管的好坏、优劣。在更换MOS管是如果没有相同厂家及相同型号时,如何代换的问题。1、MOS管的测试:作为一般的电器电视机维修人员在测量晶体三极管或二极管时,一般是采用普通的万用表来判断三极管或者二极管的好坏,虽然对所判断的三极管或二极管的电气参数没法确认,但是只要方法正确对于确认晶体三极管的“好”与“坏”还是没有问题的。同样MOS管也可以应用万用表来判断其“好”与“坏”,从一般的维修来说,也可以满足需求了。检测必须采用指针式万用表(数字表是不适宜测量半导体器件的)。对于功率型MOSFET开关管都属N沟道增强型,各生产厂的产品也几乎都采用相同的TO-220F封装形式(指用于开关电源中功率为50—200W的场效应开关管),其三个电极排列也一致,即将三只引脚向下,打印型号面向自巳,左侧引脚为栅极,右测引脚为源极,中间引脚为漏极如图5-1所示。
图5-11)万用表及相关的准备:首先在测量前应该会使用万用表,特别是欧姆档的应用,要了解欧姆挡才会正确应用欧姆挡来测量晶体三极管及MOS管(现在很多的从事修理人员,不会使用万用表,特别是万用表的欧姆挡,这绝不是危言耸听,问问他?他知道欧姆挡的R×1 R×10 R×100 R×1K R×10K,在表笔短路时,流过表笔的电流分别有多大吗?这个电流就是流过被测元件的电流。他知道欧姆挡在表笔开路时表笔两端的电压有多大吗?这就是在测量时被测元件在测量时所承受的电压)关于正确使用万用表欧姆挡的问题,可以参阅可以参阅“您会用万用表的欧姆挡测量二极管、三极管吗?”“可以参阅本博客“您会用万用表的欧姆挡测量二极管、三极管吗?”一文,因篇幅问题这里不再赘述。用万用表的欧姆挡的欧姆中心刻度不能太大,最好小于12Ω(500型表为12Ω),这样在R×1挡可以有较大的电流,对于PN结的正向特性判断比较准确。万用表R×10K挡内部的电池最好大于9V,这样在测量PN结反相漏电流时比较准确,否则漏电也测不出来。
图5-2现在由于生产工艺的进步,出厂的筛选、检测都很严格,我们一般判断只要判断MOS管不漏电、不击穿短路、内部不断路、能放大就可以了,方法极为简单:采用万用表的R×10K挡;R×10K挡内部的电池一般是9V加1.5V达到10.5V这个电压一般判断PN结点反相漏电是够了,万用表的红表笔是负电位(接内部电池的负极),万用表的黑表笔是正电位(接内部电池的正极),图5-2所示。2)测试步骤把红表笔接到MOS管的源极S;把黑表笔接到MOS管的漏极D,此时表针指示应该为无穷大,如图5-3所示。如果有欧姆指数,说明被测管有漏电现象,此管不能用。
图5-3保持上述状态;此时用一只100K~200K电阻连接于栅极和漏极,如图5-4所示;这时表针指示欧姆数应该越小越好,一般能指示到0欧姆,这时是正电荷通过100K电阻对MOS管的栅极充电,产生栅极电场,由于电场产生导致导电沟道致使漏极和源极导通,所以万用表指针偏转,偏转的角度大(欧姆指数小)证明放电性能好。
图5-4此时在图5-4的状态;再把连接的电阻移开,这时万用表的指针仍然应该是MOS管导通的指数不变,如图5-5所示。虽然电阻拿开,但是因为电阻对栅极所充的电荷并没有消失,栅极电场继续维持,内部导电沟道仍然保持,这就是绝缘栅型MOS管的特点。如果电阻拿开表针会慢慢的逐步的退回到高阻甚至退回到无穷大,要考虑该被测管栅极漏电。
图5-5这时用一根导线,连接被测管的栅极和源极,万用表的指针立即返回到无穷大,如图5-6所示。导线的连接使被测MOS管,栅极电荷释放,内部电场消失;导电沟道也消失,所以漏极和源极之间电阻又变成无穷大。
图5-62、MOS管的更换在修理电视机及各种电器设备时,遇到元器件损坏应该采用相同型号的元件进行更换。但是,有时相同的元件手边没有,就要采用其他型号的进行代换,这样就要考虑到各方面的性能、参数、外形尺寸等,例如电视的里面的行输出管,只要考虑耐压、电流、功率一般是可以进行代换的(行输出管外观尺寸几乎相同),而且功率往往大一些更好。对于MOS管代换虽然也是这一原则,最好是原型号的最好,特别是不要追求功率要大一些,因为功率大;输入电容就大,换了后和激励电路就不匹配了,激励灌流电路的充电限流电阻的阻值的大小和MOS管的输入电容是有关系的,选用功率大的尽管容量大了,但输入电容也就大了,激励电路的配合就不好了,这反而会使MOS管的开、关性能变坏。所示代换不同型号的MOS管,要考虑到其输入电容这一参数。例如有一款42寸液晶电视的背光高压板损坏,经过检查是内部的大功率MOS管损坏,因为无原型号的代换,就选用了一个,电压、电流、功率均不小于原来的MOS管替换,结果是背光管出现连续的闪烁(启动困难),最后还是换上原来一样型号的才解决问题。检测到MOS管损坏后,更换时其周边的灌流电路的元件也必须全部更换,因为该MOS管的损坏也可能是灌流电路元件的欠佳引起MOS管损坏。即便是MOS管本身原因损坏,在MOS管击穿的瞬间,灌流电路元件也受到伤害,也应该更换。就像我们有很多高明的维修师傅在修理A3开关电源时;只要发现开关管击穿,就也把前面的2SC3807激励管一起更换一样道理(尽管2SC3807管,用万用表测量是好的)。另外 “工欲善其事必先利其器”准备一本MOS管手册、一块好的万用表(欧姆挡中心刻度12欧或更小)、一套好的工具是必须的。长按二维码识别关注
电子路上,结伴而行!
解释1:沟道上面图中,下边的p型中间一个窄长条就是沟道,使得左右两块P型极连在一起,因此mos管导通后是电阻特性,因此它的一个重要参数就是导通电阻,选用mos管必须清楚这个参数是否符合需求。解释2:n型上图表示的是p型mos管,读者可以依据此图理解n型的,都是反过来即可。因此,不难理解,n型的如图在栅极加正压会导致导通,而p型的相反。解释3:增强型相对于耗尽型,增强型是通过“加厚”导电沟道的厚度来导通,如图。栅极电压越低,则p型源、漏极的正离子就越靠近中间,n衬底的负离子就越远离栅极,栅极电压达到一个值,叫阀值或坎压时,由p型游离出来的正离子连在一起,形成通道,就是图示效果。因此,容易理解,栅极电压必须低到一定程度才能导通,电压越低,通道越厚,导通电阻越小。由于电场的强度与距离平方成正比,因此,电场强到一定程度之后,电压下降引起的沟道加厚就不明显了,也是因为n型负离子的“退让”是越来越难的。耗尽型的是事先做出一个导通层,用栅极来加厚或者减薄来控制源漏的导通。但这种管子一般不生产,在市面基本见不到。所以,大家平时说mos管,就默认是增强型的。解释4:左右对称图示左右是对称的,难免会有人问怎么区分源极和漏极呢?其实原理上,源极和漏极确实是对称的,是不区分的。但在实际应用中,厂家一般在源极和漏极之间连接一个二极管,起保护作用,正是这个二极管决定了源极和漏极,这样,封装也就固定了,便于实用。我的老师年轻时用过不带二极管的mos管。非常容易被静电击穿,平时要放在铁质罐子里,它的源极和漏极就是随便接。解释5:金属氧化物膜图中有指示,这个膜是绝缘的,用来电气隔离,使得栅极只能形成电场,不能通过直流电,因此是用电压控制的。在直流电气上,栅极和源漏极是断路。不难理解,这个膜越薄:电场作用越好、坎压越小、相同栅极电压时导通能力越强。坏处是:越容易击穿、工艺制作难度越大而价格越贵。例如导通电阻在欧姆级的,1角人民币左右买一个,而2402等在十毫欧级的,要2元多(批量买。零售是4元左右)。解释6:与实物的区别上图仅仅是原理性的,实际的元件增加了源-漏之间跨接的保护二极管,从而区分了源极和漏极。实际的元件,p型的,衬底是接正电源的,使得栅极预先成为相对负电压,因此p型的管子,栅极不用加负电压了,接地就能保证导通。相当于预先形成了不能导通的沟道,严格讲应该是耗尽型了。好处是明显的,应用时抛开了负电压。解释7:寄生电容上图的栅极通过金属氧化物与衬底形成一个电容,越是高品质的mos,膜越薄,寄生电容越大,经常mos管的寄生电容达到nF级。这个参数是mos管选择时至关重要的参数之一,必须考虑清楚。Mos管用于控制大电流通断,经常被要求数十K乃至数M的开关频率,在这种用途中,栅极信号具有交流特征,频率越高,交流成分越大,寄生电容就能通过交流电流的形式通过电流,形成栅极电流。消耗的电能、产生的热量不可忽视,甚至成为主要问题。为了追求高速,需要强大的栅极驱动,也是这个道理。试想,弱驱动信号瞬间变为高电平,但是为了“灌满”寄生电容需要时间,就会产生上升沿变缓,对开关频率形成重大威胁直至不能工作。解释8:如何工作在放大区Mos管也能工作在放大区,而且很常见。做镜像电流源、运放、反馈控制等,都是利用mos管工作在放大区,由于mos管的特性,当沟道处于似通非通时,栅极电压直接影响沟道的导电能力,呈现一定的线性关系。由于栅极与源漏隔离,因此其输入阻抗可视为无穷大,当然,随频率增加阻抗就越来越小,一定频率时,就变得不可忽视。这个高阻抗特点被广泛用于运放,运放分析的虚连、虚断两个重要原则就是基于这个特点。这是三极管不可比拟的。解释9:发热原因Mos管发热,主要原因之一是寄生电容在频繁开启关闭时,显现交流特性而具有阻抗,形成电流。有电流就有发热,并非电场型的就没有电流。另一个原因是当栅极电压爬升缓慢时,导通状态要“路过”一个由关闭到导通的临界点,这时,导通电阻很大,发热比较厉害。第三个原因是导通后,沟道有电阻,过主电流,形成发热。主要考虑的发热是第1和第3点。许多mos管具有结温过高保护,所谓结温就是金属氧化膜下面的沟道区域温度,一般是150摄氏度。超过此温度,mos管不可能导通。温度下降就恢复。要注意这种保护状态的后果。但愿上述描述能通俗的理解mos管,下面说说几个约定俗成电路:1:pmos应用一般用于管理电源的通断,属于无触点开关,栅极低电平就完全导通,高电平就完全截止。而且,栅极可以加高过电源的电压,意味着可以用5v信号管理3v电源的开关,这个原理也用于电平转换。2:nmos管应用一般用于管理某电路是否接地,属于无触点开关,栅极高电平就导通导致接地,低电平截止。当然栅极也可以用负电压截止,但这个好处没什么意义。其高电平可以高过被控制部分的电源,因为栅极是隔离的。因此可以用5v信号控制3v系统的某处是否接地,这个原理也用于电平转换。3:放大区应用工作于放大区,一般用来设计反馈电路,需要的专业知识比较多,类似运放,这里无法细说。常用做镜像电流源、电流反馈、电压反馈等。至于运放的集成应用,我们其实不用关注。人家都做好了,看好datasheet就可以了,不用按mos管方式去考虑导通电阻和寄生电容。MOS管的基本知识 现在的高清、液晶、等离子电视机中开关电源部分除了采用了PFC技术外,在元器件上的开关管均采用性能优异的MOS管取代过去的大功率晶体三极管,使整机的效率、可靠性、故障率均大幅的下降。由于MOS管和大功率晶体三极管在结构、特性有着本质上的区别,在应用上;驱动电路也比晶体三极管复杂,致使维修人员对电路、故障的分析倍感困难,此文即针对这一问题,把MOS管及其应用电路作简单介绍,以满足维修人员需求。一、什么是MOS管MOS管的英文全称叫MOSFET(Metal Oxide Semiconductor Field Effect Transistor),即金属氧化物半导体型场效应管,属于场效应管中的绝缘栅型。因此,MOS管有时被称为绝缘栅场效应管。在一般电子电路中,MOS管通常被用于放大电路或开关电路。1、MOS管的构造;在一块掺杂浓度较低的P型半导体硅衬底上,用半导体光刻、扩散工艺制作两个高掺杂浓度的N+区,并用金属铝引出两个电极,分别作为漏极D和源极S。然后在漏极和源极之间的P型半导体表面复盖一层很薄的二氧化硅(Si02)绝缘层膜,在再这个绝缘层膜上装上一个铝电极,作为栅极G。这就构成了一个N沟道(NPN型)增强型MOS管。显然它的栅极和其它电极间是绝缘的。图1-1所示 A 、B分别是它的结构图和代表符号。同样用上述相同的方法在一块掺杂浓度较低的N型半导体硅衬底上,用半导体光刻、扩散工艺制作两个高掺杂浓度的P+区,及上述相同的栅极制作过程,就制成为一个P沟道(PNP型)增强型MOS管。图1-2所示A 、B分别是P沟道MOS管道结构图和代表符号。
图1 -1-A 图1 -1-B
图1-2-A 图1-2-B2、MOS管的工作原理:图1-3是N沟道MOS管工作原理图;
图1-3-A
图1-3-B从图1-3-A可以看出,增强型MOS管的漏极D和源极S之间有两个背靠背的PN结。当栅-源电压VGS=0时,即使加上漏-源电压VDS,总有一个PN结处于反偏状态,漏-源极间没有导电沟道(没有电流流过),所以这时漏极电流ID=0。此时若在栅-源极间加上正向电压,图1-3-B所示,即VGS>0,则栅极和硅衬底之间的SiO2绝缘层中便产生一个栅极指向P型硅衬底的电场,由于氧化物层是绝缘的,栅极所加电压VGS无法形成电流,氧化物层的两边就形成了一个电容,VGS等效是对这个电容充电,并形成一个电场,随着VGS逐渐升高,受栅极正电压的吸引,在这个电容的另一边就聚集大量的电子并形成了一个从漏极到源极的N型导电沟道,当VGS大于管子的开启电压VT(一般约为 2V)时,N沟道管开始导通,形成漏极电流ID,我们把开始形成沟道时的栅-源极电压称为开启电压,一般用VT表示。控制栅极电压VGS的大小改变了电场的强弱,就可以达到控制漏极电流ID的大小的目的,这也是MOS管用电场来控制电流的一个重要特点,所以也称之为场效应管。3、MOS管的特性;上述MOS管的工作原理中可以看出,MOS管的栅极G和源极S之间是绝缘的,由于Sio2绝缘层的存在,在栅极G和源极S之间等效是一个电容存在,电压VGS产生电场从而导致源极-漏极电流的产生。此时的栅极电压VGS决定了漏极电流的大小,控制栅极电压VGS的大小就可以控制漏极电流ID的大小。这就可以得出如下结论:1) MOS管是一个由改变电压来控制电流的器件,所以是电压器件。2) MOS管道输入特性为容性特性,所以输入阻抗极高。4、MOS管的电压极性和符号规则;图1-4-A 是N沟道MOS管的符号,图中D是漏极,S是源极,G是栅极,中间的箭头表示衬底,如果箭头向里表示是N沟道的MOS管,箭头向外表示是P沟道的MOS管。在实际MOS管生产的过程中衬底在出厂前就和源极连接,所以在符号的规则中;表示衬底的箭头也必须和源极相连接,以区别漏极和源极。图1-5-A是P沟道MOS管的符号。MOS管应用电压的极性和我们普通的晶体三极管相同,N沟道的类似NPN晶体三极管,漏极D接正极,源极S接负极,栅极G正电压时导电沟道建立,N沟道MOS管开始工作,如图1-4-B所示。同样P道的类似PNP晶体三极管,漏极D接负极,源极S接正极,栅极G负电压时,导电沟道建立,P沟道MOS管开始工作,如图1-5-B所示。
图1-4-A N沟道MOS管符号
图1-4-B N沟道MOS管电压极性及衬底连接
图1-5-A P沟道MOS管符号
图1-5-B P沟道MOS管电压极性及衬底连接5、MOS管和晶体三极管相比的重要特性;1).场效应管的源极S、栅极G、漏极D分别对应于三极管的发射极e、基极b、集电极c,它们的作用相似,图1-6-A所示是N沟道MOS管和NPN型晶体三极管引脚,图1-6-B所示是P沟道MOS管和PNP型晶体三极管引脚对应图。
图1-6-A 图1-6-B2).场效应管是电压控制电流器件,由VGS控制ID,普通的晶体三极管是电流控制电流器件,由IB控制IC。MOS管道放大系数是(跨导gm)当栅极电压改变一伏时能引起漏极电流变化多少安培。晶体三极管是电流放大系数(贝塔β)当基极电流改变一毫安时能引起集电极电流变化多少。3).场效应管栅极和其它电极是绝缘的,不产生电流;而三极管工作时基极电流IB决定集电极电流IC。因此场效应管的输入电阻比三极管的输入电阻高的多。4).场效应管只有多数载流子参与导电;三极管有多数载流子和少数载流子两种载流子参与导电,因少数载流子浓度受温度、辐射等因素影响较大,所以场效应管比三极管的温度稳定性好。5).场效应管在源极未与衬底连在一起时,源极和漏极可以互换使用,且特性变化不大,而三极管的集电极与发射极互换使用时,其特性差异很大,b 值将减小很多。6).场效应管的噪声系数很小,在低噪声放大电路的输入级及要求信噪比较高的电路中要选用场效应管。7).场效应管和普通晶体三极管均可组成各种放大电路和开关电路,但是场效应管制造工艺简单,并且又具有普通晶体三极管不能比拟的优秀特性,在各种电路及应用中正逐步的取代普通晶体三极管,目前的大规模和超大规模集成电路中,已经广泛的采用场效应管。6、在开关电源电路中;大功率MOS管和大功率晶体三极管相比MOS管的优点;1)、输入阻抗高,驱动功率小:由于栅源之间是二氧化硅(SiO2)绝缘层,栅源之间的直流电阻基本上就是SiO2绝缘电阻,一般达100MΩ左右,交流输入阻抗基本上就是输入电容的容抗。由于输入阻抗高,对激励信号不会产生压降,有电压就可以驱动,所以驱动功率极小(灵敏度高)。一般的晶体三极管必需有基极电压Vb,再产生基极电流Ib,才能驱动集电极电流的产生。晶体三极管的驱动是需要功率的(Vb×Ib)。2)、开关速度快:MOSFET的开关速度和输入的容性特性的有很大关系,由于输入容性特性的存在,使开关的速度变慢,但是在作为开关运用时,可降低驱动电路内阻,加快开关速度(输入采用了后述的“灌流电路”驱动,加快了容性的充放电的时间)。MOSFET只靠多子导电,不存在少子储存效应,因而关断过程非常迅速,开关时间在10—100ns之间,工作频率可达100kHz以上,普通的晶体三极管由于少数载流子的存储效应,使开关总有滞后现象,影响开关速度的提高(目前采用MOS管的开关电源其工作频率可以轻易的做到100K/S~150K/S,这对于普通的大功率晶体三极管来说是难以想象的)。3)、无二次击穿;由于普通的功率晶体三极管具有当温度上升就会导致集电极电流上升(正的温度~电流特性)的现象,而集电极电流的上升又会导致温度进一步的上升,温度进一步的上升,更进一步的导致集电极电流的上升这一恶性循环。而晶体三极管的耐压VCEO随管温度升高是逐步下降,这就形成了管温继续上升、耐压继续下降最终导致晶体三极管的击穿,这是一种导致电视机开关电源管和行输出管损坏率占95%的破环性的热电击穿现象,也称为二次击穿现象。MOS管具有和普通晶体三极管相反的温度~电流特性,即当管温度(或环境温度)上升时,沟道电流IDS反而下降。例如;一只IDS=10A的MOS FET开关管,当VGS控制电压不变时,在250C温度下IDS=3A,当芯片温度升高为1000C时,IDS降低到2A,这种因温度上升而导致沟道电流IDS下降的负温度电流特性,使之不会产生恶性循环而热击穿。也就是MOS管没有二次击穿现象,可见采用MOS管作为开关管,其开关管的损坏率大幅度的降低,近两年电视机开关电源采用MOS管代替过去的普通晶体三极管后,开关管损坏率大大降低也是一个极好的证明。4)、MOS管导通后其导通特性呈纯阻性;普通晶体三极管在饱和导通是,几乎是直通,有一个极低的压降,称为饱和压降,既然有一个压降,那么也就是;普通晶体三极管在饱和导通后等效是一个阻值极小的电阻,但是这个等效的电阻是一个非线性的电阻(电阻上的电压和流过的电流不能符合欧姆定律),而MOS管作为开关管应用,在饱和导通后也存在一个阻值极小的电阻,但是这个电阻等效一个线性电阻,其电阻的阻值和两端的电压降和流过的电流符合欧姆定律的关系,电流大压降就大,电流小压降就小,导通后既然等效是一个线性元件,线性元件就可以并联应用,当这样两个电阻并联在一起,就有一个自动电流平衡的作用,所以MOS管在一个管子功率不够的时候,可以多管并联应用,且不必另外增加平衡措施(非线性器件是不能直接并联应用的)。MOS管和普通的晶体三极管相比,有以上四项优点,就足以使MOS管在开关运用状态下完全取代普通的晶体三极管。目前的技术MOS管道VDS能做到1000V,只能作为开关电源的开关管应用,随着制造工艺的不断进步,VDS的不断提高,取代显像管电视机的行输出管也是近期能实现的。二、灌流电路1、MOS管作为开关管应用的特殊驱动电路;灌流电路MOS管和普通晶体三极管相比,有诸多的优点,但是在作为大功率开关管应用时,由于MOS管具有的容性输入特性,MOS管的输入端,等于是一个小电容器,输入的开关激励信号,实际上是在对这个电容进行反复的充电、放电的过程,在充放电的过程中,使MOS管道导通和关闭产生了滞后,使“开”与“关”的过程变慢,这是开关元件不能允许的(功耗增加,烧坏开关管),如图所示,在图2-1中 A方波为输入端的激励波形,电阻R为激励信号内阻,电容C为MOS管输入端等效电容,激励波形A加到输入端是对等效电容C的充放电作用,使输入端实际的电
图2-1压波形变成B的畸变波形,导致开关管不能正常开关工作而损坏,解决的方法就是,只要R足够的小,甚至没有阻值,激励信号能提供足够的电流,就能使等效电容迅速的充电、放电,这样MOS开关管就能迅速的“开”、“关”,保证了正常工作。由于激励信号是有内阻的,信号的激励电流也是有限度,我们在作为开关管的MOS管的输入部分,增加一个减少内阻、增加激励电流的“灌流电路”来解决此问题,如图2-2所示。
图2-2在图2-2中;在作为开关应用的MOS管Q3的栅极S和激励信号之间增加Q1、Q2两只开关管,此两只管均为普通的晶体三极管,两只管接成串联连接,Q1为NPN型Q2为PNP型,基极连接在一起(实际上是一个PNP、NPN互补的射极跟随器),两只管等效是两只在方波激励信号控制下轮流导通的开关,如图2-2-A、图2-2-B当激励方波信号的正半周来到时;晶体三极管Q1(NPN)导通、Q2(PNP)截止,VCC经过Q1导通对MOS开关管Q3的栅极充电,由于Q1是饱和导通,VCC等效是直接加到MOS管Q3的栅极,瞬间充电电流极大,充电时间极短,保证了MOS开关管Q3的迅速的“开”,如图2-2-A所示(图2-2-A和图2-2-B中的电容C为MOS管栅极S的等效电容)。当激励方波信号的负半周来到时;晶体三极管Q1(NPN)截止、Q2(PNP)导通,MOS开关管Q3的栅极所充的电荷,经过Q2迅速放电,由于Q2是饱和导通,放电时间极短,保证了MOS开关管Q3的迅速的“关”,如图2-2-B所示。
图2-2-A 图2-2-B由于MOS管在制造工艺上栅极S的引线的电流容量有一定的限度,所以在Q1在饱和导通时VCC对MOS管栅极S的瞬时充电电流巨大,极易损坏MOS管的输入端,为了保护MOS管的安全,在具体的电路中必须采取措施限制瞬时充电的电流值,在栅极充电的电路中串接一个适当的充电限流电阻R,如图2-3-A所示。充电限流电阻R的阻值的选取;要根据MOS管的输入电容的大小,激励脉冲的频率及灌流电路的VCC(VCC一般为12V)的大小决定一般在数十姆欧到一百欧姆之间。
图2-3-A
图2-3-B由于充电限流电阻的增加,使在激励方波负半周时Q2导通时放电的速度受到限制(充电时是VCC产生电流,放电时是栅极所充的电压VGS产生电流,VGS远远小于VCC,R的存在大大的降低了放电的速率)使MOS管的开关特性变坏,为了使R阻值在放电时不影响迅速放电的速率,在充电限流电阻R上并联一个形成放电通路的二极管D,图2-3-B所示。此二极管在放电时导通,在充电时反偏截止。这样增加了充电限流电阻和放电二极管后,既保证了MOS管的安全,又保证了MOS管,“开”与“关”的迅速动作。2、另一种灌流电路灌流电路的另外一种形式,对于某些功率较小的开关电源上采用的MOS管往往采用了图2-4-A的电路方式。
图2-4-A
图2-4-B图中 D为充电二极管,Q为放电三极管(PNP)。工作过程是这样,当激励方波正半周时,D导通,对MOS管输入端等效电容充电(此时Q截止),在当激励方波负半周时,D截止,Q导通,MOS管栅极S所充电荷,通过Q放电,MOS管完成“开”与“关”的动作,如图2-4-B所示。此电路由激励信号直接“灌流”,激励信号源要求内阻较低。该电路一般应用在功率较小的开关电源上。3、MOS管开关应用必须设置泄放电阻;MOS管在开关状态工作时;Q1、Q2是轮流导通,MOS管栅极是在反复充电、放电的状态,如果在此时关闭电源,MOS管的栅极就有两种状态;一个状态是;放电状态,栅极等效电容没有电荷存储,一个状态是;充电状态,栅极等效电容正好处于电荷充满状态,图2-5-A所示。虽然电源切断,此时Q1、Q2也都处于断开状态,电荷没有释放的回路,MOS管栅极的电场仍然存在(能保持很长时间),建立导电沟道的条件并没有消失。这样在再次开机瞬间,由于激励信号还没有建立,而开机瞬间MOS管的漏极电源(VDS)随机提供,在导电沟道的作用下,MOS管即刻产生不受控的巨大漏极电流ID,引起MOS管烧坏。为了避免此现象产生,在MOS管的栅极对源极并接一只泄放电阻R1,如图2-5-B所示,关机后栅极存储的电荷通过R1迅速释放,此电阻的阻值不可太大,以保证电荷的迅速释放,一般在5K~数10K左右。
图2-5-A
图2-5-B灌流电路主要是针对MOS管在作为开关管运用时其容性的输入特性,引起“开”、“关”动作滞后而设置的电路,当MOS管作为其他用途;例如线性放大等应用,就没有必要设置灌流电路。三、大功率MOS管开关电路。实例应用电路分析初步的了解了以上的关于MOS管的一些知识后,一般的就可以简单的分析,采用MOS管开关电源的电路了。1、 三星等离子V2屏开关电源PFC部分激励电路分析;图3-1所示是三星V2屏开关电源,PFC电源部分电原理图,图3-2所示是其等效电路框图。
图3-1
图3-2图3-1所示;是三星V2屏等离子开关电源的PFC激励部分。从图中可以看出;这是一个并联开关电源L1是储能电感,D10是这个开关电源的整流二极管,Q1、Q2是开关管,为了保证PFC开关电源有足够的功率输出,采用了两只MOS管Q1、Q2并联应用(图3-2所示;是该并联开关电源等效电路图,图中可以看出该并联开关电源是加在整流桥堆和滤波电容C5之间的),图中Q3、Q4是灌流激励管,Q3、Q4的基极输入开关激励信号, VCC-S-R是Q3、Q4的VCC供电(22.5V)。两只开关管Q1、Q2的栅极分别有各自的充电限流电阻和放电二极管,R16是Q2的在激烈信号为正半周时的对Q2栅极等效电容充电的限流电阻,D7是Q2在激烈信号为负半周时的Q2栅极等效电容放电的放电二极管,同样R14、D6则是Q1的充电限流电阻和放电的放电二极管。R17和R18是Q1和Q2的关机栅极电荷泄放电阻。D9是开机瞬间浪涌电流分流二极管。2、 三星等离子V4屏开关电源PFC部分激励电路分析;图3-3所示;是三星V4屏开关电源PFC激励部分电原理图,可以看出该V4屏电路激励部分原理相同于V2屏。只是在每一只大功率MOS开关管的栅极泄放电阻(R209、R206)上又并联了过压保护二极管;ZD202、ZD201及ZD204、ZD203
图3-33、 海信液晶开关电源PFC部分激励电路分析,图3-4所示;海信液晶电视32寸~46寸均采用该开关电源,电源采用了复合集成电路SMA—E1017(PFC和PWM共用一块复合激励集成电路),同样该PFC开关电源部分也是一个并联的开关电源,图3-4所示。TE001是储能电感、DE004是开关电源的整流管、QE001、QE002是两只并联的大功率MOS开关管。该集成电路的PFCOUTPUT端子是激励输出,,RE008、RE009、RE010、VE001、DE002、RE011、DE003组成QE001和QE002的灌流电路。
图3-4灌流电路的等效电路如图3-5所示,从图中,可以清晰的看出该灌流电路的原理及各个元件的作用。从等效电路图来分析,集成电路的激励输出端(PFCOUTPUT端子),输出方波的正半周时DE002导通,经过RE008、RE010对MOS开关管QE001和QE002的栅极充电,当激励端为负半周时,DE002截止,由于晶体三极管VE001是PNP型,负半周信号致使VE001导通,此时;QE001和QE002的栅极所充电荷经过VE001放电,MOS管完成“开”、“关”周期的工作。从图3-5的分析中,RE011作用是充电的限流电阻,而在放电时由于VE001的存在和导通,已经建立了放电的回路,DE003的作用是加速VE001的导通,开关管关闭更加迅速。图3-4所示原理图是PFC开关电源及PWM开关电源的电原理图,该电路中的集成电路MSA-E1017是把PFC部分的激励控制和PWM部分激励控制复合在一块集成电路中,图3-6是原理框图,图中的QE003及TE002是PWM开关电源的开关管及开关变压器,RE050是QE003的充电限流电阻、DE020是其放电二极管。
图3-5
图3-6四、MOS管的防静电保护MOS管是属于绝缘栅场效应管,栅极是无直流通路,输入阻抗极高,极易引起静电荷聚集,产生较高的电压将栅极和源极之间的绝缘层击穿。早期生产的MOS管大都没有防静电的措施,所以在保管及应用上要非常小心,特别是功率较小的MOS管,由于功率较小的MOS管输入电容比较小,接触到静电时产生的电压较高,容易引起静电击穿。而近期的增强型大功率MOS管则有比较大的区别,首先由于功能较大输入电容也比较大,这样接触到静电就有一个充电的过程,产生的电压较小,引起击穿的可能较小,再者现在的大功率MOS管在内部的栅极和源极有一个保护的稳压管DZ(图4-1所示),把静电嵌位于保护稳压二极管的稳压值以下,有效的保护了栅极和源极的绝缘层,不同功率、不同型号的MOS管其保护稳压二极管的稳压值是不同的。虽然MOS管内部有了保护措施,我们操作时也应按照防静电的操作规程进行,这是一个合格的维修员应该具备的。
图4-1五、MOS管的检测与代换:在修理电视机及电器设备时,会遇到各种元器件的损坏,MOS管也在其中,这就是我们的维修人员如何利用常用的万用表来判断MOS管的好坏、优劣。在更换MOS管是如果没有相同厂家及相同型号时,如何代换的问题。1、MOS管的测试:作为一般的电器电视机维修人员在测量晶体三极管或二极管时,一般是采用普通的万用表来判断三极管或者二极管的好坏,虽然对所判断的三极管或二极管的电气参数没法确认,但是只要方法正确对于确认晶体三极管的“好”与“坏”还是没有问题的。同样MOS管也可以应用万用表来判断其“好”与“坏”,从一般的维修来说,也可以满足需求了。检测必须采用指针式万用表(数字表是不适宜测量半导体器件的)。对于功率型MOSFET开关管都属N沟道增强型,各生产厂的产品也几乎都采用相同的TO-220F封装形式(指用于开关电源中功率为50—200W的场效应开关管),其三个电极排列也一致,即将三只引脚向下,打印型号面向自巳,左侧引脚为栅极,右测引脚为源极,中间引脚为漏极如图5-1所示。
图5-11)万用表及相关的准备:首先在测量前应该会使用万用表,特别是欧姆档的应用,要了解欧姆挡才会正确应用欧姆挡来测量晶体三极管及MOS管(现在很多的从事修理人员,不会使用万用表,特别是万用表的欧姆挡,这绝不是危言耸听,问问他?他知道欧姆挡的R×1 R×10 R×100 R×1K R×10K,在表笔短路时,流过表笔的电流分别有多大吗?这个电流就是流过被测元件的电流。他知道欧姆挡在表笔开路时表笔两端的电压有多大吗?这就是在测量时被测元件在测量时所承受的电压)关于正确使用万用表欧姆挡的问题,可以参阅可以参阅“您会用万用表的欧姆挡测量二极管、三极管吗?”“可以参阅本博客“您会用万用表的欧姆挡测量二极管、三极管吗?”一文,因篇幅问题这里不再赘述。用万用表的欧姆挡的欧姆中心刻度不能太大,最好小于12Ω(500型表为12Ω),这样在R×1挡可以有较大的电流,对于PN结的正向特性判断比较准确。万用表R×10K挡内部的电池最好大于9V,这样在测量PN结反相漏电流时比较准确,否则漏电也测不出来。
图5-2现在由于生产工艺的进步,出厂的筛选、检测都很严格,我们一般判断只要判断MOS管不漏电、不击穿短路、内部不断路、能放大就可以了,方法极为简单:采用万用表的R×10K挡;R×10K挡内部的电池一般是9V加1.5V达到10.5V这个电压一般判断PN结点反相漏电是够了,万用表的红表笔是负电位(接内部电池的负极),万用表的黑表笔是正电位(接内部电池的正极),图5-2所示。2)测试步骤把红表笔接到MOS管的源极S;把黑表笔接到MOS管的漏极D,此时表针指示应该为无穷大,如图5-3所示。如果有欧姆指数,说明被测管有漏电现象,此管不能用。
图5-3保持上述状态;此时用一只100K~200K电阻连接于栅极和漏极,如图5-4所示;这时表针指示欧姆数应该越小越好,一般能指示到0欧姆,这时是正电荷通过100K电阻对MOS管的栅极充电,产生栅极电场,由于电场产生导致导电沟道致使漏极和源极导通,所以万用表指针偏转,偏转的角度大(欧姆指数小)证明放电性能好。
图5-4此时在图5-4的状态;再把连接的电阻移开,这时万用表的指针仍然应该是MOS管导通的指数不变,如图5-5所示。虽然电阻拿开,但是因为电阻对栅极所充的电荷并没有消失,栅极电场继续维持,内部导电沟道仍然保持,这就是绝缘栅型MOS管的特点。如果电阻拿开表针会慢慢的逐步的退回到高阻甚至退回到无穷大,要考虑该被测管栅极漏电。
图5-5这时用一根导线,连接被测管的栅极和源极,万用表的指针立即返回到无穷大,如图5-6所示。导线的连接使被测MOS管,栅极电荷释放,内部电场消失;导电沟道也消失,所以漏极和源极之间电阻又变成无穷大。
图5-62、MOS管的更换在修理电视机及各种电器设备时,遇到元器件损坏应该采用相同型号的元件进行更换。但是,有时相同的元件手边没有,就要采用其他型号的进行代换,这样就要考虑到各方面的性能、参数、外形尺寸等,例如电视的里面的行输出管,只要考虑耐压、电流、功率一般是可以进行代换的(行输出管外观尺寸几乎相同),而且功率往往大一些更好。对于MOS管代换虽然也是这一原则,最好是原型号的最好,特别是不要追求功率要大一些,因为功率大;输入电容就大,换了后和激励电路就不匹配了,激励灌流电路的充电限流电阻的阻值的大小和MOS管的输入电容是有关系的,选用功率大的尽管容量大了,但输入电容也就大了,激励电路的配合就不好了,这反而会使MOS管的开、关性能变坏。所示代换不同型号的MOS管,要考虑到其输入电容这一参数。例如有一款42寸液晶电视的背光高压板损坏,经过检查是内部的大功率MOS管损坏,因为无原型号的代换,就选用了一个,电压、电流、功率均不小于原来的MOS管替换,结果是背光管出现连续的闪烁(启动困难),最后还是换上原来一样型号的才解决问题。检测到MOS管损坏后,更换时其周边的灌流电路的元件也必须全部更换,因为该MOS管的损坏也可能是灌流电路元件的欠佳引起MOS管损坏。即便是MOS管本身原因损坏,在MOS管击穿的瞬间,灌流电路元件也受到伤害,也应该更换。就像我们有很多高明的维修师傅在修理A3开关电源时;只要发现开关管击穿,就也把前面的2SC3807激励管一起更换一样道理(尽管2SC3807管,用万用表测量是好的)。另外 “工欲善其事必先利其器”准备一本MOS管手册、一块好的万用表(欧姆挡中心刻度12欧或更小)、一套好的工具是必须的。长按二维码识别关注
电子路上,结伴而行!
