LC滤波电路原理及设计详解
时间:10-02
整理:3721RD
点击:
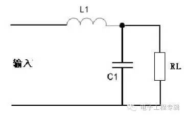
LC滤波器也称为无源滤波器,是传统的谐波补偿装置。LC滤波器之所以称为无源滤波器,顾名思义,就是该装置不需要额外提供电源。LC滤波器一般是由滤波电容器、电抗器和电阻器适当组合而成,与谐波源并联,除起滤波作用外,还兼顾无功补偿的需要;无源滤波器,又称LC滤波器,是利用电感、电容和电阻的组合设计构成的滤波电路,可滤除某一次或多次谐波,最普通易于采用的无源滤波器结构是将电感与电容串联,可对主要次谐波(3、5、7)构成低阻抗旁路;单调谐滤波器、双调谐滤波器、高通滤波器都属于无源滤波器。LC滤波器的适用场合无源LC电路不易集成,通常电源中整流后的滤波电路均采用无源电路,且在大电流负载时应采用LC电路。有源滤波器适用场合有源滤波器电路不适于高压大电流的负载,只适用于信号处理,滤波是信号处理中的一个重要概念。滤波分经典滤波和现代滤波。经典滤波的概念,是根据富立叶分析和变换提出的一个工程概念。根据高等数学理论,任何一个满足一定条件的信号,都可以被看成是由无限个正弦波叠加而成。换句话说,就是工程信号是不同频率的正弦波线性叠加而成的,组成信号的不同频率的正弦波叫做信号的频率成分或叫做谐波成分。只允许一定频率范围内的信号成分正常通过,而阻止另一部分频率成分通过的电路,叫做经典滤波器或滤波电路。电容滤波电路/电感滤波电路作用原理整流电路的输出电压不是纯粹的直流,从示波器观察整流电路的输出,与直流相差很大,波形中含有较大的脉动成分,称为纹波。为获得比较理想的直流电压,需要利用具有储能作用的电抗性元件(如电容、电感)组成的滤波电路来滤除整流电路输出电压中的脉动成分以获得直流电压。常用的滤波电路有无源滤波和有源滤波两大类。无源滤波的主要形式有电容滤波、电感滤波和复式滤波(包括倒L型、LC滤波、LCπ型滤波和RCπ型滤波等)。有源滤波的主要形式是有源RC滤波,也被称作电子滤波器。直流电中的脉动成分的大小用脉动系数来表示,此值越大,则滤波器的滤波效果越差。脉动系数(S)=输出电压交流分量的基波最大值/输出电压的直流分量半波整流输出电压的脉动系数为S=1.57,全波整流和桥式整流的输出电压的脉动系数S≈O.67。对于全波和桥式整流电路采用C型滤波电路后,其脉动系数S=1/(4(RLC/T-1)。(T为整流输出的直流脉动电压的周期。)电阻滤波电路RC-π型滤波电路,实质上是在电容滤波的基础上再加一级RC滤波电路组成的。如图1(B)RC滤波电路。若用S表示C1两端电压的脉动系数,则输出电压两端的脉动系数S=(1/ωC2R)S。由分析可知,电阻R的作用是将残余的纹波电压降落在电阻两端,最后由C2再旁路掉。在ω值一定的情况下,R愈大,C2愈大,则脉动系数愈小,也就是滤波效果就越好。而R值增大时,电阻上的直流压降会增大,这样就增大了直流电源的内部损耗;若增大C2的电容量,又会增大电容器的体积和重量,实现起来也不现实。这种电路一般用于负载电流比较小的场合.电感滤波电路根据电抗性元件对交、直流阻抗的不同,由电容C及电感L所组成的滤波电路的基本形式如图1所示。因为电容器C对直流开路,对交流阻抗小,所以C并联在负载两端。电感器L对直流阻抗小,对交流阻抗大,因此L应与负载串联。
(A)电容滤波
(B)C-R-C或RC-π型电阻滤波脉动系数S=(1/ωC2R')S'
(C)L-C电感滤波
(D)π型滤波或叫C-L-C滤波图1无源滤波电路的基本形式并联的电容器C在输入电压升高时,给电容器充电,可把部分能量存储在电容器中。而当输入电压降低时,电容两端电压以指数规律放电,就可以把存储的能量释放出来。经过滤波电路向负载放电,负载上得到的输出电压就比较平滑,起到了平波作用。若采用电感滤波,当输入电压增高时,与负载串联的电感L中的电流增加,因此电感L将存储部分磁场能量,当电流减小时,又将能量释放出来,使负载电流变得平滑,因此,电感L也有平波作用。利用储能元件电感器L的电流不能突变的特点,在整流电路的负载回路中串联一个电感,使输出电流波形较为平滑。因为电感对直流的阻抗小,交流的阻抗大,因此能够得到较好的滤波效果而直流损失小。电感滤波缺点是体积大,成本高。桥式整流电感滤波电路如图2所示。电感滤波的波形图如图2所示。根据电感的特点,当输出电流发生变化时,L中将感应出一个反电势,使整流管的导电角增大,其方向将阻止电流发生变化。
图2电感滤波电路在桥式整流电路中,当u2正半周时,D1、D3导电,电感中的电流将滞后u2不到90°。当u2超过90°后开始下降,电感上的反电势有助于D1、D3继续导电。当u2处于负半周时,D2、D4导电,变压器副边电压全部加到D1、D3两端,致使D1、D3反偏而截止,此时,电感中的电流将经由D2、D4提供。由于桥式电路的对称性和电感中电流的连续性,四个二极管D1、D3;D2、D4的导电角θ都是180°,这一点与电容滤波电路不同。
图3电感滤波电路波形图已知桥式整流电路二极管的导通角是180°,整流输出电压是半个半个正弦波,其平均值约为。电感滤波电路,二极管的导通角也是180°,当忽略电感器L的电阻时,负载上输出的电压平均值也是。如果考虑滤波电感的直流电阻R,则电感滤波电路输出的电压平均值为
要注意电感滤波电路的电流必须要足够大,即RL不能太大,应满足wL>>RL,此时IO(AV)可用下式计算
由于电感的直流电阻小,交流阻抗很大,因此直流分量经过电感后的损失很小,但是对于交流分量,在wL和上分压后,很大一部分交流分量降落在电感上,因而降低了输出电压中的脉动成分。电感L愈大,RL愈小,则滤波效果愈好,所以电感滤波适用于负载电流比较大且变化比较大的场合。采用电感滤波以后,延长了整流管的导电角,从而避免了过大的冲击电流。电容滤波原理详解1.空载时的情况当电路采用电容滤波,输出端空载,如图4(a)所示,设初始时电容电压uC为零。接入电源后,当u2在正半周时,通过D1、D3向电容器C充电;当在u2的负半周时,通过D2、D4向电容器C充电,充电时间常数为
(a)电路图(b)波形图图4空载时桥式整流电容滤波电路式中包括变压器副边绕组的直流电阻和二极管的正向导通电阻。由于一般很小,电容器很快就充到交流电压u2的最大值,如波形图2(b)的时刻。此后,u2开始下降,由于电路输出端没接负载,电容器没有放电回路,所以电容电压值uC不变,此时,uC>u2,二极管两端承受反向电压,处于截止状态,电路的输出电压
,电路输出维持一个恒定值。实际上电路总要带一定的负载,有负载的情况如下。2.带载时的情况图5给出了电容滤波电路在带电阻负载后的工作情况。接通交流电源后,二极管导通,整流电源同时向电容充电和向负载提供电流,输出电压的波形是正弦形。在时刻,即达到u290°峰值时,u2开始以正弦规律下降,此时二极管是否关断,取决于二极管承受的是正向电压还是反向电压。先设达到90°后,二极管关断,那么只有滤波电容以指数规律向负载放电,从而维持一定的负载电流。但是90°后指数规律下降的速率快,而正弦波下降的速率小,所以超过90°以后有一段时间二极管仍然承受正向电压,二极管导通。随着u2的下降,正弦波的下降速率越来越快,uC的下降速率越来越慢。所以在超过90°后的某一点,例如图5(b)中的t2时刻,二极管开始承受反向电压,二极管关断。此后只有电容器C向负载以指数规律放电的形式提供电流,直至下一个半周的正弦波来到,u2再次超过uC,如图5(b)中的t3时刻,二极管重又导电。以上过程电容器的放电时间常数为
电容滤波一般负载电流较小,可以满足td较大的条件,所以输出电压波形的放电段比较平缓,纹波较小,输出脉动系数S小,输出平均电压UO(AV)大,具有较好的滤波特性。
(a)电路图(b)波形图图5带载时桥式整流滤波电路以上滤波电路都有一个共性,那就是需要很大的电容容量才能满足要求,这样一来大容量电容在加电瞬间很有很大的短路电流,这个电流对整流二极管,变压器冲击很大,所以现在一般的做法是在整流前加一的功率型NTC热敏电阻来维持平衡,因NTC热敏电阻在常温下电阻很大,加电后随着温度升高,电阻阻值迅速减小,这个电路叫软起动电路。这种电路缺点是:断电后,在热时间常数内,NTC热敏电阻没有恢复到零功率电阻值,所以不宜频繁的开启。为什么整流后加上滤波电容在不带负载时电压为何升高?这是因为加上滤波测得的电压是含有脉动成分的峰值电压,加上负载后就是平均值,计算:峰值电压=1.414×理论输出电压有源滤波-电子电路滤波。电阻滤波本身有很多矛盾,电感滤波成本又高,故一般线路常采用有源滤波电路,电路如图6。它是由C1、R、C2组成的π型RC滤波电路与有源器件晶体管T组成的射极输出器连接而成的电路。由图6可知,流过R的电流IR=IE/(1+β)=IRL/(1+β)。流过电阻R的电流仅为负载电流的1/(1+β).所以可以采用较大的R,与C2配合以获得较好的滤波效果,以使C2两端的电压的脉动成分减小,输出电压和C2两端的电压基本相等,因此输出电压的脉动成分也得到了削减。从RL负载电阻两端看,基极回路的滤波元件R、C2折合到射极回路,相当于R减小了(1+β)倍,而C2增大了(1+β)倍。这样所需的电容C2只是一般RCπ型滤波器所需电容的1/β,比如晶体管的直流放大系数β=50,如果用一般RCπ型滤波器所需电容容量为1000μF,如采用电子滤波器,那么电容只需要20μF就满足要求了。采用此电路可以选择较大的电阻和较小的电容而达到同样的滤波效果,因此被广泛地用于一些小型电子设备的电源之中。
长按二维码识别关注
电子路上,结伴而行!
(A)电容滤波
(B)C-R-C或RC-π型电阻滤波脉动系数S=(1/ωC2R')S'
(C)L-C电感滤波
(D)π型滤波或叫C-L-C滤波图1无源滤波电路的基本形式并联的电容器C在输入电压升高时,给电容器充电,可把部分能量存储在电容器中。而当输入电压降低时,电容两端电压以指数规律放电,就可以把存储的能量释放出来。经过滤波电路向负载放电,负载上得到的输出电压就比较平滑,起到了平波作用。若采用电感滤波,当输入电压增高时,与负载串联的电感L中的电流增加,因此电感L将存储部分磁场能量,当电流减小时,又将能量释放出来,使负载电流变得平滑,因此,电感L也有平波作用。利用储能元件电感器L的电流不能突变的特点,在整流电路的负载回路中串联一个电感,使输出电流波形较为平滑。因为电感对直流的阻抗小,交流的阻抗大,因此能够得到较好的滤波效果而直流损失小。电感滤波缺点是体积大,成本高。桥式整流电感滤波电路如图2所示。电感滤波的波形图如图2所示。根据电感的特点,当输出电流发生变化时,L中将感应出一个反电势,使整流管的导电角增大,其方向将阻止电流发生变化。
图2电感滤波电路在桥式整流电路中,当u2正半周时,D1、D3导电,电感中的电流将滞后u2不到90°。当u2超过90°后开始下降,电感上的反电势有助于D1、D3继续导电。当u2处于负半周时,D2、D4导电,变压器副边电压全部加到D1、D3两端,致使D1、D3反偏而截止,此时,电感中的电流将经由D2、D4提供。由于桥式电路的对称性和电感中电流的连续性,四个二极管D1、D3;D2、D4的导电角θ都是180°,这一点与电容滤波电路不同。
图3电感滤波电路波形图已知桥式整流电路二极管的导通角是180°,整流输出电压是半个半个正弦波,其平均值约为。电感滤波电路,二极管的导通角也是180°,当忽略电感器L的电阻时,负载上输出的电压平均值也是。如果考虑滤波电感的直流电阻R,则电感滤波电路输出的电压平均值为
要注意电感滤波电路的电流必须要足够大,即RL不能太大,应满足wL>>RL,此时IO(AV)可用下式计算
由于电感的直流电阻小,交流阻抗很大,因此直流分量经过电感后的损失很小,但是对于交流分量,在wL和上分压后,很大一部分交流分量降落在电感上,因而降低了输出电压中的脉动成分。电感L愈大,RL愈小,则滤波效果愈好,所以电感滤波适用于负载电流比较大且变化比较大的场合。采用电感滤波以后,延长了整流管的导电角,从而避免了过大的冲击电流。电容滤波原理详解1.空载时的情况当电路采用电容滤波,输出端空载,如图4(a)所示,设初始时电容电压uC为零。接入电源后,当u2在正半周时,通过D1、D3向电容器C充电;当在u2的负半周时,通过D2、D4向电容器C充电,充电时间常数为
(a)电路图(b)波形图图4空载时桥式整流电容滤波电路式中包括变压器副边绕组的直流电阻和二极管的正向导通电阻。由于一般很小,电容器很快就充到交流电压u2的最大值,如波形图2(b)的时刻。此后,u2开始下降,由于电路输出端没接负载,电容器没有放电回路,所以电容电压值uC不变,此时,uC>u2,二极管两端承受反向电压,处于截止状态,电路的输出电压
,电路输出维持一个恒定值。实际上电路总要带一定的负载,有负载的情况如下。2.带载时的情况图5给出了电容滤波电路在带电阻负载后的工作情况。接通交流电源后,二极管导通,整流电源同时向电容充电和向负载提供电流,输出电压的波形是正弦形。在时刻,即达到u290°峰值时,u2开始以正弦规律下降,此时二极管是否关断,取决于二极管承受的是正向电压还是反向电压。先设达到90°后,二极管关断,那么只有滤波电容以指数规律向负载放电,从而维持一定的负载电流。但是90°后指数规律下降的速率快,而正弦波下降的速率小,所以超过90°以后有一段时间二极管仍然承受正向电压,二极管导通。随着u2的下降,正弦波的下降速率越来越快,uC的下降速率越来越慢。所以在超过90°后的某一点,例如图5(b)中的t2时刻,二极管开始承受反向电压,二极管关断。此后只有电容器C向负载以指数规律放电的形式提供电流,直至下一个半周的正弦波来到,u2再次超过uC,如图5(b)中的t3时刻,二极管重又导电。以上过程电容器的放电时间常数为
电容滤波一般负载电流较小,可以满足td较大的条件,所以输出电压波形的放电段比较平缓,纹波较小,输出脉动系数S小,输出平均电压UO(AV)大,具有较好的滤波特性。
(a)电路图(b)波形图图5带载时桥式整流滤波电路以上滤波电路都有一个共性,那就是需要很大的电容容量才能满足要求,这样一来大容量电容在加电瞬间很有很大的短路电流,这个电流对整流二极管,变压器冲击很大,所以现在一般的做法是在整流前加一的功率型NTC热敏电阻来维持平衡,因NTC热敏电阻在常温下电阻很大,加电后随着温度升高,电阻阻值迅速减小,这个电路叫软起动电路。这种电路缺点是:断电后,在热时间常数内,NTC热敏电阻没有恢复到零功率电阻值,所以不宜频繁的开启。为什么整流后加上滤波电容在不带负载时电压为何升高?这是因为加上滤波测得的电压是含有脉动成分的峰值电压,加上负载后就是平均值,计算:峰值电压=1.414×理论输出电压有源滤波-电子电路滤波。电阻滤波本身有很多矛盾,电感滤波成本又高,故一般线路常采用有源滤波电路,电路如图6。它是由C1、R、C2组成的π型RC滤波电路与有源器件晶体管T组成的射极输出器连接而成的电路。由图6可知,流过R的电流IR=IE/(1+β)=IRL/(1+β)。流过电阻R的电流仅为负载电流的1/(1+β).所以可以采用较大的R,与C2配合以获得较好的滤波效果,以使C2两端的电压的脉动成分减小,输出电压和C2两端的电压基本相等,因此输出电压的脉动成分也得到了削减。从RL负载电阻两端看,基极回路的滤波元件R、C2折合到射极回路,相当于R减小了(1+β)倍,而C2增大了(1+β)倍。这样所需的电容C2只是一般RCπ型滤波器所需电容的1/β,比如晶体管的直流放大系数β=50,如果用一般RCπ型滤波器所需电容容量为1000μF,如采用电子滤波器,那么电容只需要20μF就满足要求了。采用此电路可以选择较大的电阻和较小的电容而达到同样的滤波效果,因此被广泛地用于一些小型电子设备的电源之中。
长按二维码识别关注
电子路上,结伴而行!
