Altium Designer 10.972.23595原理图打印问题
那只能是灰色打印了
这个应该是 bug
各位没有人遇见此情况?!灰度打印有些有底色的元件看起来很不舒服!
我试过了,没有哪种情况呀
请帮着核对是否这个版本做的测试? Altium Designer 10.972.23595 (之前的升级版本无此bug)
这个是 972.23595 新生的bug,不是ad10的共有bug,故要核实下情况
可否上传你的 单色、灰度、彩色 打印截图 以及ALTIUMB版本图片?


请看我的实验

所以网上说这个新BUG应与其它软件有关
刚查了个不认识的字: 懿 yì :表示专一。本义:美好
怎么说呢,这么好的名字,回复帖中的描述总 含含糊糊。作为一个工程师,描述问题要理清头绪,论证问题尤重。
也许你那边操作是没有这个问题,但从你马虎的截图风格上,可信度不大,建议你仔细在看看你截图的严谨性?
截图马虎,可下定论有时则很武断(断言)
1.环境描述 软件:altium官方软件 (3方修改软体不能确保现象相同)
安装方式:全新安装
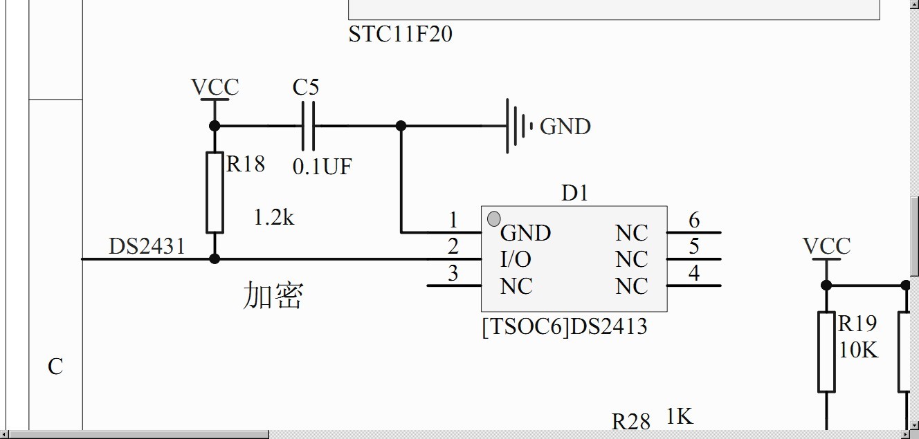
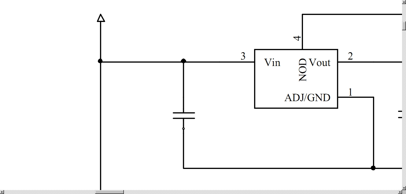
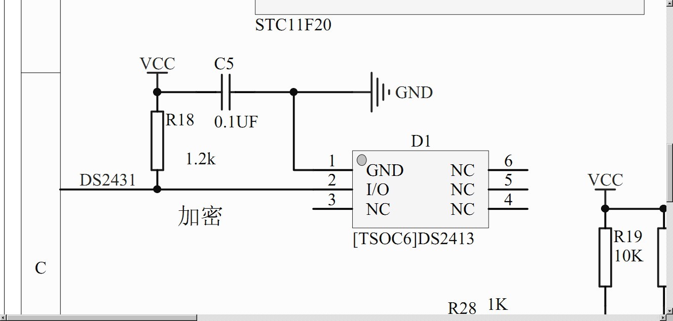
2.完整的截图(你的几次截图各图之间没有直接的关联性!),理想的描述参下图(非972,截图仅示意):
3.刚去看了下altium的版本升级说明(没人看?)
Release notes for Altium Designer Update 18 (10.1051.23878):
6052:Fixed an issue where auto-junctions were not filled in on mono-color prints.
仔细回看下你之前的截图非严谨现象以及回顾你所操作的环境,
希望这个本无意义的讨论能起到一定的启发目的,也不 愧对 这个字
懿 懿 懿 懿德 懿行
如果用意是取自“懿旨”? 那含义会是...



看见了吧,这不是AD的新的BUG,你说很多BUG我都试过,有的是对的,有的是错的
我也是用AD10.929操作的,AD1050也操作过,也没有。前面的也没有



好吧,我都来上转。这真不是BUG
看到了吧,这下可以看清楚了
呵呵 凑热闹,还是老版本永久了熟悉 。
