高手!进来帮帮小的吧!急急急!
时间:10-02
整理:3721RD
点击:

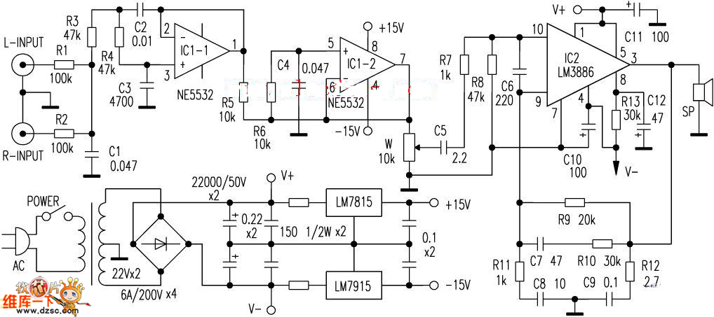
图上的几个符号代表什么电子元器件啊? 高手指导指导 急急 急急 小图的那个颜色更深的的要连接在哪里啊?
就是这个没有连接负极的 黑色 最底下这条 要连在哪里啊?
[求助]高手!进来帮帮小的吧!急急急!

[求助]高手!进来帮帮小的吧!急急急!
运算放大器,接地

图上的几个符号代表什么电子元器件啊? 高手指导指导 急急 急急 小图的那个颜色更深的的要连接在哪里啊?
就是这个没有连接负极的 黑色 最底下这条 要连在哪里啊?
[求助]高手!进来帮帮小的吧!急急急!

[求助]高手!进来帮帮小的吧!急急急!
运算放大器,接地