请问各位大哥怎样画这种PCB线的?

请教怎样画出这种线条?请各位大哥给我答案!
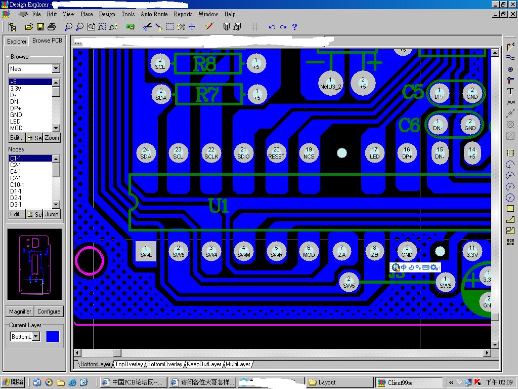
这是铺铜的效果,不是走线.
请问Protel 99 se 可以铺这铜效果吗?高手?
请问Protel 99 se 可以铺这铜效果吗?高手? 请教?怎样用这项功能?
你为什么非要铺成这样,如果说为了走线与焊盘连接饱满你可以补泪滴不就行了。
汗死....
因为这种线的效果比较美观整齐,所以我想这种效果!请各位请教好吗?
可以的,用覆铜或填充就行了!
谢了!大哥~~~~我试试.不行再请教.
高手.请问是这个窗口吧?但我也覆铜过了但不是这种效果,请教要怎样设置?

请教高手.请问是这个窗口吧?但我也覆铜过了但不是这种效果,请教要怎样设置?
是这个窗口.
你先要进入规则里面设置它的铺铜方式./
再在这个窗口中选择网络,去死铜等等操作.
1楼的图是没有网络,手工直接布线的~如果原理图到出来则要按楼上2位的方法去设置好在来添加线条!99的好处就在这里,比较自由化,但容易出错,所以也要特别的留意!
对了,这图肯定是不是protel做的,pads做的方法又不一样的,用铺铜就可以了~
哦,这样的啊.那谁知道用PORTEL弄出来的效果是怎样的?能把图放上去吗?能把步骤给我吗?现在那个软件比较好用?
这是单面板吧?辛苦点用手工布就可以啦~~~导网络来布就不会错了!
晕,直接画的而已,铺铜肯定是做不出来的,
泪滴后,手动覆铜而成,就是很浪费时间
上面的PCB不就是PROTEL画的吗?只不过是98
用AUTCAD画出来。再转PCB格式就OK了
暈呀!99SE就可以做出這樣的效果!快捷鍵T - P 取消勾選如圖的選項即可手工加淚滴!

先布线,把轮廓画出来,再覆铜。
