终于学会了电器.电路图的基本绘制了
时间:10-02
整理:3721RD
点击:
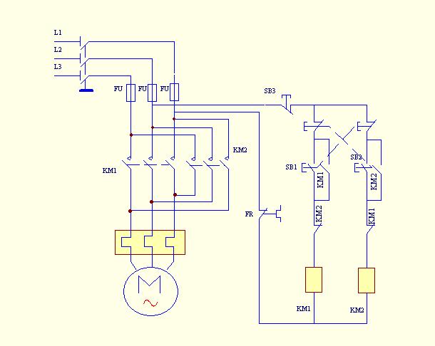
经过长时间努力终于学会了使用protel99se软件绘制电器.电路图的绘制了,因为菜单大都是英文的,所以学习起来不太容易,今天很高兴,上传一份电动机正反转的控制图.


好样的
