一些IC封装的长度标识中,BSC是什么意思啊?
时间:10-02
整理:3721RD
点击:
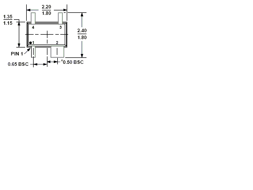
一些IC封装的长度标识中,BSC是什么意思啊?如图:


没见过
脚间距,BSC是指基本值,其它还有TYP(典型值),REF参考值,单位一般会在资料里说明
