原理图中的一个器件,看不懂,求助。
时间:10-02
整理:3721RD
点击:
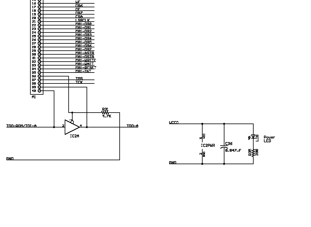
最近在学习xilinux的spartan 3 starter kit板子的原理图,图中IC2不明白是什么器件。左边的扩展槽A1,下面的几个引脚是连到jtag链的。右边是IC2的vcc和gnd引脚,加电成功后Power LED点亮。多谢了!
没传好,再试一次
三态门?
不是三态门吧,右边还有
看不清,打个压缩包放上来
看清楚了,就是个三态门.是采用分part绘制的原理图
三态门,没错的。
是三态门
多谢。 刚学protel,不知道里面一个元件可以分成几个part。
再弱弱的问一句,有专门的实现三态门的芯片吗?or在protel里的元件库里好像找不到三态门
74hc244或者74hc125之类的东西吧
