高手指点一下,dcr出错
时间:10-02
整理:3721RD
点击:
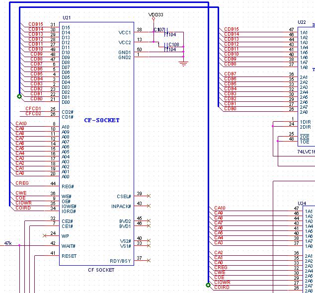
连线如图示:
明明是连起来的,网络命名也没问有问题啊。
ERROR [DRC0029] Bus has no name and therefore defines no signals. N1444489: SCHEMATIC1, PAGE7 (154.94, 177.80)
ERROR [DRC0029] Bus has no name and therefore defines no signals. N1415752: SCHEMATIC1, PAGE7 (58.42, 81.28)

晕 这样可以么?2颗IC上面相连的信号你却用一根总线将他们连起来!?
按照我的看法一般是同类的信号,比如AD[63..0]这63个信号PIN向外联出,就可以用总线形势连接。
而你的事不管什么信号都用总线形势连在一起,好像不妥吧!
我也菜鸟,说错的地方请狠狠地批评!
看來只是 BUS地方沒有接好而已,一般來說 DRC部份已經將錯誤地方 Mark起來了
最多就砍掉重新再用 BUS連接一次,基本上不接 BUS只要你的 Net都有 netname(或是說 alias)也不會有 DRC的出現
