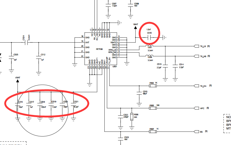
PA VBATT管脚各个电容的作用
时间:10-02
整理:3721RD
点击:
小弟在此想请教下各位大神关于PA VBATT管脚滤波电容的问题。

往往PA VBATT管脚都会并联由大到小的很多电容,有时候还分为VBATT1和VBATT2。
请问这些电容的作用是啥,这些电容值是如何却定的?
VBATT1和VBATT2 的区别是啥?

往往PA VBATT管脚都会并联由大到小的很多电容,有时候还分为VBATT1和VBATT2。
请问这些电容的作用是啥,这些电容值是如何却定的?
VBATT1和VBATT2 的区别是啥?
电源的输出端除了会有低频的涟波,还会有高频的噪声,所以在电源输出端除了会有uf等级的大电容作为稳压之用,还会有pf等级的小电容作为滤波之用
自顶一个
不是滤处不必要的噪声吗
关注,学习
同问,还有PA ET 上挂的pf级电容作用
@criterion 求大神知道
把各个频段的不想要的杂散和谐波都干掉,不让它们随着电源线跑出去。
PA里面一般都有好几级放大器串联的,VCC1就是第一级个供电,VCC2就是第二级供电。
从大到小接狠多电容,这个问题就很简单了,大电容的滤高频的能力差,小电容率低频能力差,所以要组合
