蓝牙4.0低功耗标准接口模块
时间:10-02
整理:3721RD
点击:
此模块采用Amiccom(台湾笙科)蓝牙低功耗芯片A8105 的SOC(8051 单片机, 32KB Flash, 2KB SRAM)是一款超低功耗、小体积的收发系统模块。遵循低功耗蓝牙协议,适合 单模式低功耗蓝牙的应用,支持I2C、SPI、UART等标准通信接口。
应用
蓝牙电子秤? 蓝牙遥控小车
蓝牙OTT遥控器
? 蓝牙成人用品
蓝牙LED灯控
蓝牙键盘、鼠标
特性
超低功耗?
真正的单芯片蓝牙低功耗解决方案
? 电池电压监视器和温度传感器 、RSSI输出和载波侦听指示
? 高的接收灵敏度(1Mbps时高达-97dB)
? 低供电电压2.0-3.6V 、超低待机功耗(睡眠模式3 功耗:0.4uA) ? 符合FCC 、CE 、 BQB认证
? 高速单指令和低功率8051 内核
? 点对点,点对多点,灵活通信方式
电气参数
| 项目 | 规格 | 备注 |
| 供电 | 2.0V ~ 3.6V | |
| 电流 | 0.8uA @deep Sleep mode 3mA @Stand-by mode 9.5mA @PLL mode 18mA @Rx mode 23.5mA @tx mode (Pout = 3dBm) | |
| 频率 | 2402 – 2480 MHz | ISM band |
| RF发送功率 | 3 dBm @ room temperature | 最大的功率 |
| RF接收灵敏度 | -92 dBm (typical) @ 1Mbps mode | BER≦1E-3 |
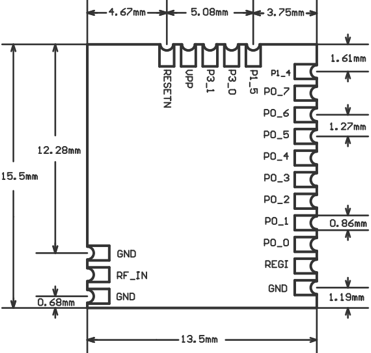
| 调制方式 | GFSK | 模块尺寸资料 ![]() BQB证书 ![]() 关于我们 喆华定位 深圳市喆华电子科技有限公司是一家专注无线射频通讯,集芯片供应以及整体解决方案提供为一体的专业服务商。 喆华介绍 喆华电子10余年来一直专注无线领域的开发和应用,致力于为客户提供全系列即方便、安全、 又 高效节能的无线射频产品与整体解决方案。 联系电话:13823535343池密(微信同号) 学习学习。 栏目分类
|


